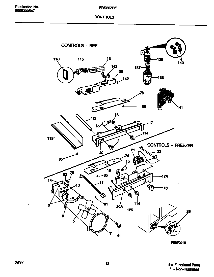
FRS26ZRFW2 06 – CONTROLS

FRS26ZRFW2 06 – CONTROLS