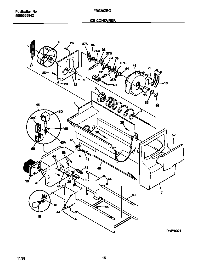
FRS26ZRGB9 09 – ICE CONTAINERadmin2025-04-26T08:35:38+00:00FRS26ZRGB9 09 – ICE CONTAINER ProductsPositionProduct*50644WIRING HARNESS,AUGER MOTOR*50645WCI 5304404364*50647241860803 Frigidaire Refrigerator Ice Container Bucket Assembly*50646WCI 2157817002241716101 Frigidaire Refrigerator Ice Auger3241685201 Frigidaire Refrigerator Drive Cam4241734001 Frigidaire Refrigerator Ice Bucket6241685101 Frigidaire Refrigerator Ice Dispenser Drum7241734201 Frigidaire Refrigerator Front Ice Container15316538904 Frigidaire Oven Lamp Light16241559801 Frigidaire Light Socket Refrigerator17241684503 Frigidaire Ice Crusher Blade185304462594 Frigidaire Refrigerator Motor-Auger20WCI 530440433221241726501 Frigidaire Refrigerator Drive Bar23241684001 Frigidaire Refrigerator Plate-Front25240555002 Frigidaire Refrigerator Screw #8-32 X 3/826215503203 Frigidaire Refrigerator Door Handle Screw33241684802 Frigidaire Refrigerator Spacer34241689802 Frigidaire Refrigerator Spacer35241684303 Frigidaire Refrigerator Fixed Blade35241684203 Frigidaire Refrigerator Fixed Blade37241684109 Frigidaire Ice Crusher Blade37241684108 Frigidaire Washer Poly V-Belt37241684107 Frigidaire Refrigerator Ice Crusher Blade39241690501 Frigidaire Refrigerator Screw41241885001 Frigidaire Refrigerator Ice Crusher Housing44WCI 21835920045241675902 Frigidaire Refrigerator Solenoid Spring45241676001 Frigidaire Refrigerator E-Ring Solenoid45241676101 Frigidaire Refrigerator Solenoid-Actuator45241675803 Frigidaire Refrigerator Freezer Ice Dispenser Solenoid45241675704 Frigidaire Refrigerator Solenoid Assembly46WCI 530440434147WCI 530440434248241684602 Frigidaire Refrigerator Control Rod Bracket49WCI 530440432950241675601 Frigidaire Refrigerator Solenoid Guide51WCI 530440433652241684901 Frigidaire Refrigerator Spacer-Fixed Blades53241690402 Frigidaire Refrigerator Pin-Spiral54241685001 Frigidaire Auger Nut55241690306 Frigidaire Refrigerator Washer56241690201 Frigidaire Refrigerator E-Ring57241734101 Frigidaire Refrigerator Front Access Door Ice Bin58AWCI 530440433158B5304455651 Frigidaire Refrigerator Screw