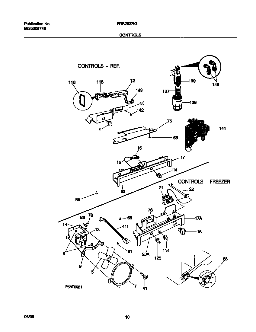
FRS26ZRGD0 06 – CONTROLS