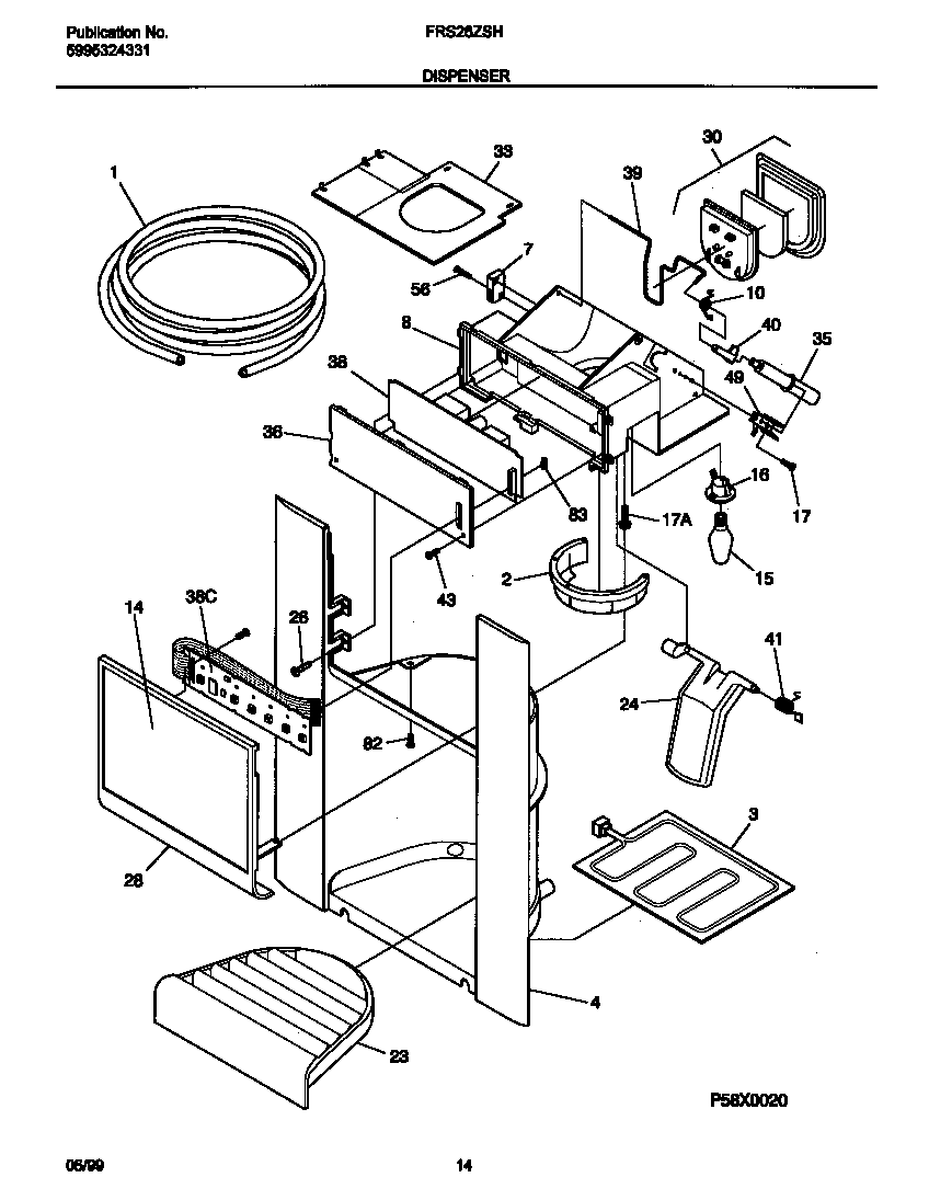
FRS26ZSHW0 08 – ICE DISPENSERadmin2025-04-26T08:35:46+00:00FRS26ZSHW0 08 – ICE DISPENSER ProductsPositionProduct*81009WCI 215294101*81010WCI 218832301*81011WCI 21885990115308010366 Frigidaire Refrigerator P1-Water Inlet Tube2WCI 2185053013WCI 2154843004WCI 2188524017WCI 2182848008WCI 21887490110WCI 21820980014WCI 21890371315WCI 21828490016240548901 Frigidaire Refrigerator P-1 Socket17BWASHER-FLAT17AWCI 21584070017WCI 21579440023WCI 530329784424WCI 21892130126215503203 Frigidaire Refrigerator Door Handle Screw28WCI 21889140130DOOR ASSY-ICE CHUTE, W/GASKET, INSUL33WCI 21887020135WCI 21874000436WCI 21889130138WCI 21890660138WCI 218881801395304401778 Frigidaire Refrigerator Ice Door Wire40WCI 21828450041WCI 21591780043BSCREW (4)43AWCI 21576030049WCI 21579400056WCI 21843430082WCI 21529630083FUSE,PC BOARD ,7 A ,125 V