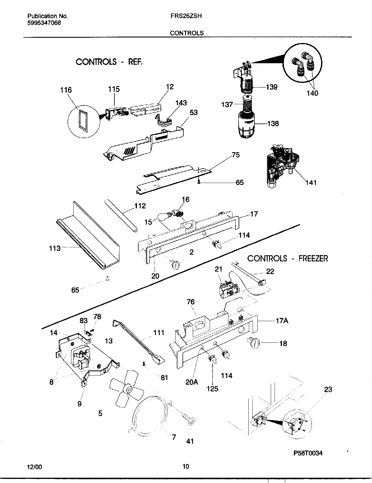
FRS26ZSHW5 10 – CONTROLS