| *33097 | 5303321321 Frigidaire Refrigerator Black Touch-Up Paint |
| *33089 | WCI 218871201 |
| *33090 | WASHER, .28 X .62 X .19, NYLON |
| *33096 | WCI 218902101 |
| *33091 | WCI 218979701 |
| *33088 | WCI 215598900 |
| *33095 | WCI 5303322647 |
| *33087 | SUPPORT-AIR DUCT CVR,1.83`` LONG |
| *33094 | WASHER, EXT TOOTH LOCK, NO. 10 (NON-ILLUSTRATED) |
| *33092 | 5304500407 Frigidaire Refrigerator Shelf Mounting Grommet |
| *33093 | SCREW-ROLLER MTG,SPCL IND HEX HD, 5/16-18(23) X 7/8 |
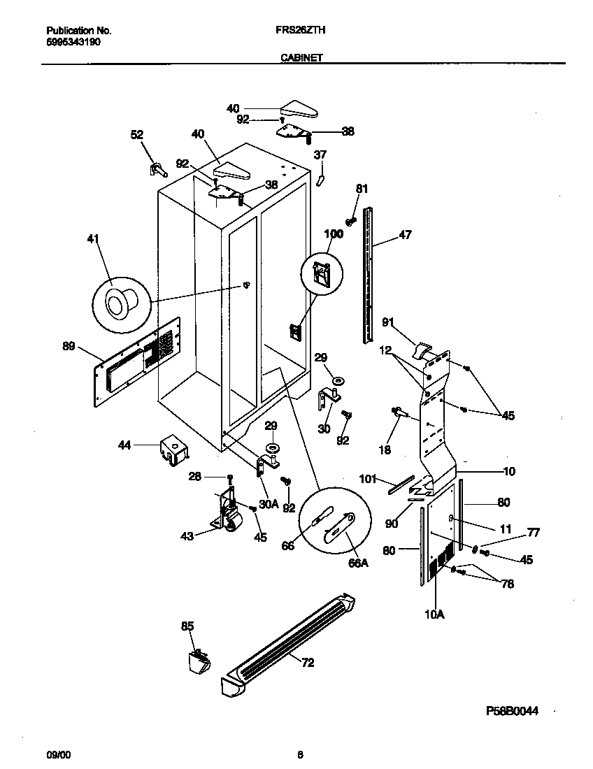
| 10 | WCI 215637402 |
| 10 | WCI 215637602 |
| 11 | 5303208309 Frigidaire Refrigerator Plug Hole |
| 12 | 5303001147 Frigidaire Refrigerator Plug-Harness Hole |
| 18 | WCI 5303289043 |
| 28 | WCI 5303289062 |
| 29 | WCI 215314301 |
| 30A | WCI 218993601 |
| 30 | WCI 218993801 |
| 30B | WCI 218979601 |
| 37 | WCI 5303321083 |
| 38B | WCI 218215246 |
| 38A | WCI 218215248 |
| 40 | WCI 5303323268 |
| 41 | 5304509705 Frigidaire Refrigerator Grommet |
| 43 | WCI 218615300 |
| 44 | WCI 218738300 |
| 47 | WCI 218659500 |
| 52 | TUBE-WATER,ICE MOLD FILL ,ELBOW |
| 58 | 5304455651 Frigidaire Refrigerator Screw |
| 66 | WCI 215050201 |
| 66 | WCI 218171301 |
| 72 | WCI 218359609 |
| 77 | WASHER-NYLON,3/16 X 5/8 OD |
| 80 | WCI 218249802 |
| 81 | 5304455650 Frigidaire Refrigerator Screw |
| 85 | WCI 218922706 |
| 89 | WCI 215741412 |
| 90 | WCI 215022602 |
| 91 | WCI 218964701 |
| 92 | 241710601 Frigidaire Refrigerator Screw |
| 100 | SUPPORT-PAN COVER |
| 101A | WCI 215305702 |
| 101B | WCI 218663103 |