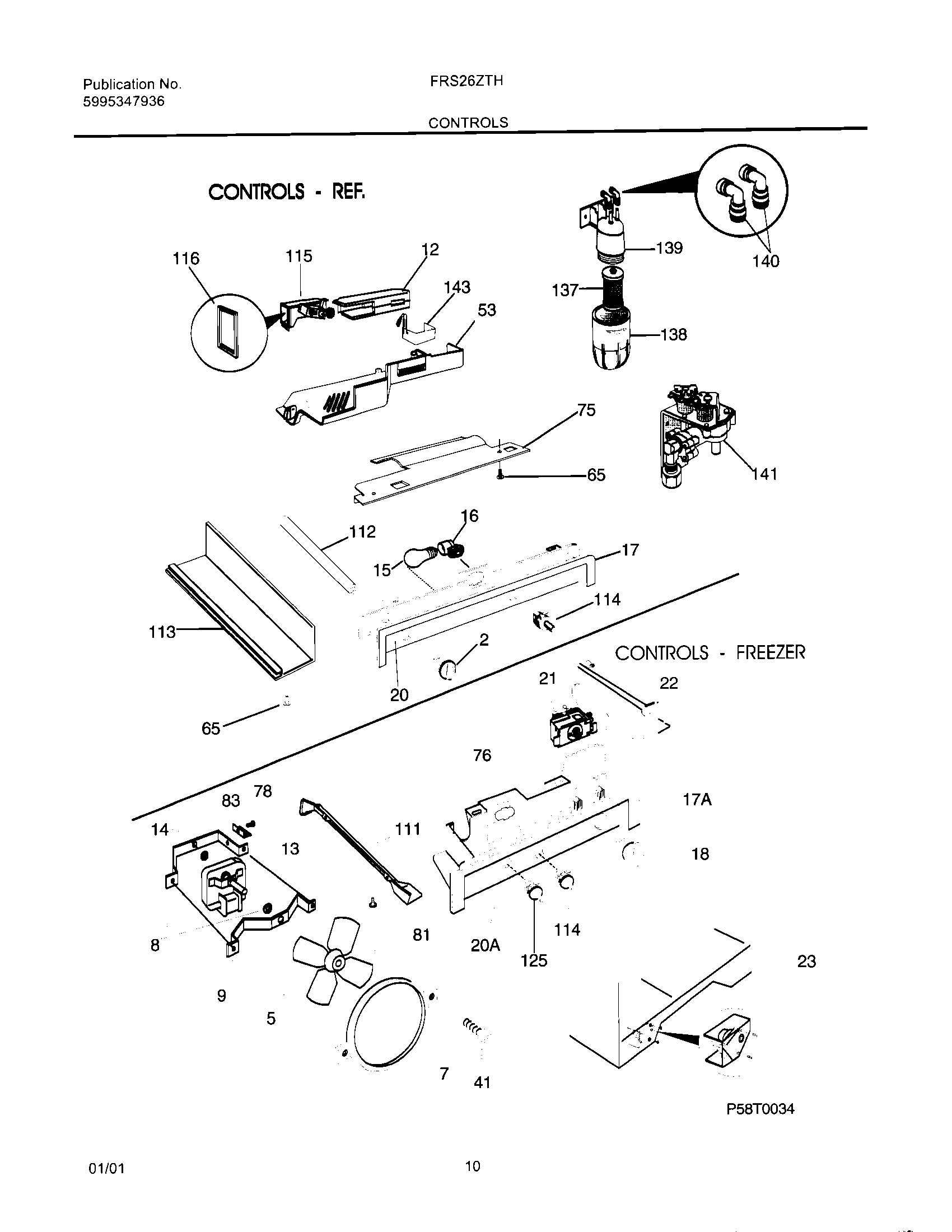
FRS26ZTHD5 11 – CONTROLS