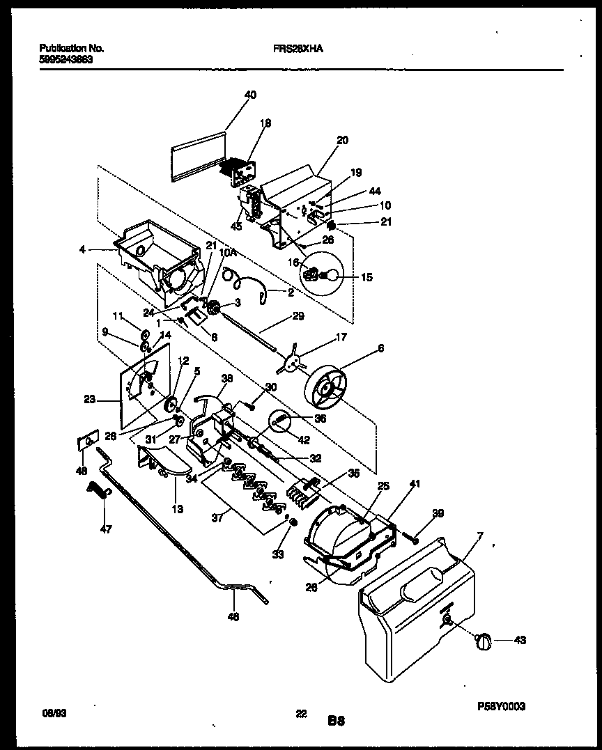
FRS28XHAW0 12 – ICE DISPENSER