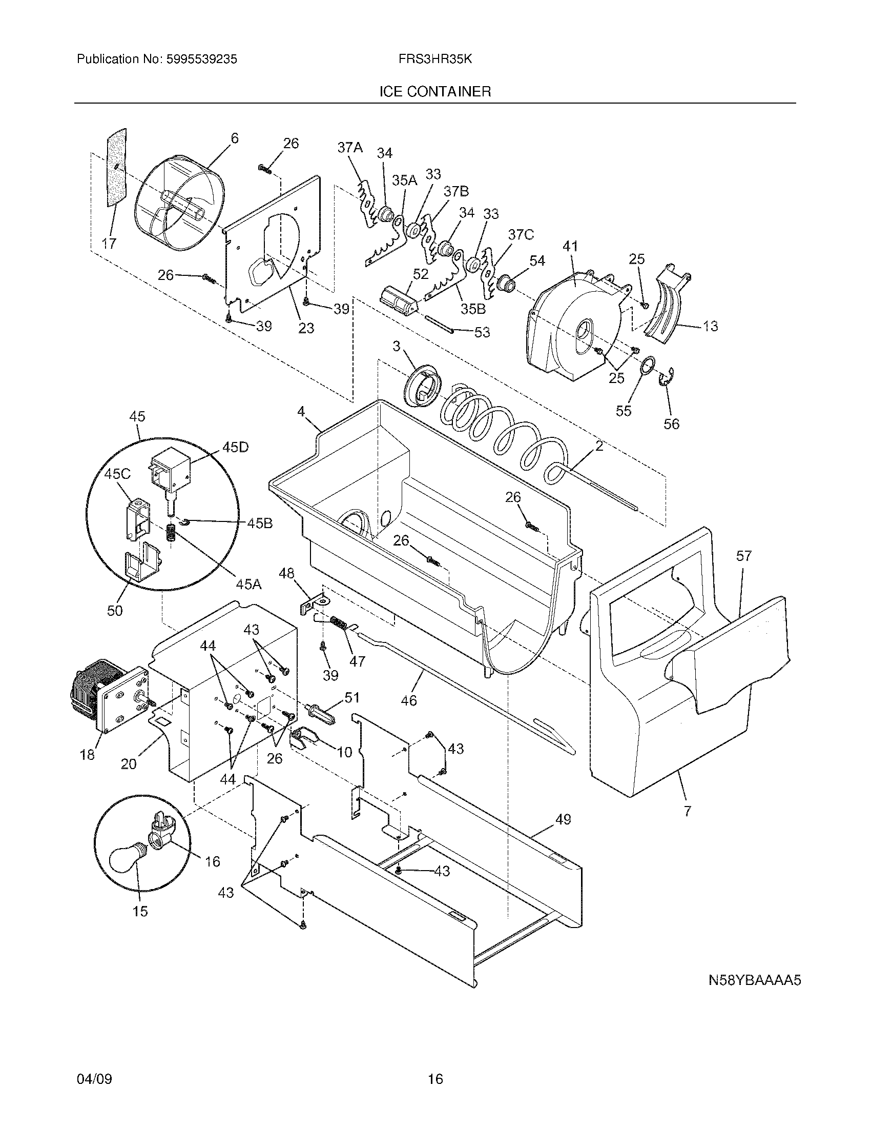
FRS3HR35KW0 17 – ICE CONTAINER

FRS3HR35KW0 17 – ICE CONTAINER

Products

PositionProduct
NI240507202 Frigidaire Refrigerator Deflector
NI241860803 Frigidaire Refrigerator Ice Container Bucket Assembly
NIWCI 241578401
2241716101 Frigidaire Refrigerator Ice Auger
3241685201 Frigidaire Refrigerator Drive Cam
4241734001 Frigidaire Refrigerator Ice Bucket
6241685101 Frigidaire Refrigerator Ice Dispenser Drum
7241734201 Frigidaire Refrigerator Front Ice Container
10241726501 Frigidaire Refrigerator Drive Bar
13241885001 Frigidaire Refrigerator Ice Crusher Housing
15316538904 Frigidaire Oven Lamp Light
16241559801 Frigidaire Light Socket Refrigerator
17241684503 Frigidaire Ice Crusher Blade
18242221501 Frigidaire Refrigerator Auger Motor
20241734802 Frigidaire Refrigerator Cover
23241684001 Frigidaire Refrigerator Plate-Front
25240555002 Frigidaire Refrigerator Screw #8-32 X 3/8
26215503203 Frigidaire Refrigerator Door Handle Screw
33241684802 Frigidaire Refrigerator Spacer
34241689802 Frigidaire Refrigerator Spacer
35A241684303 Frigidaire Refrigerator Fixed Blade
35B241684203 Frigidaire Refrigerator Fixed Blade
37B241684108 Frigidaire Washer Poly V-Belt
37A241684107 Frigidaire Refrigerator Ice Crusher Blade
37C241684109 Frigidaire Ice Crusher Blade
39241690501 Frigidaire Refrigerator Screw
44218359202 Frigidaire Refrigerator Screw
45B241676001 Frigidaire Refrigerator E-Ring Solenoid
45A241675902 Frigidaire Refrigerator Solenoid Spring
45241675704 Frigidaire Refrigerator Solenoid Assembly
45C241676101 Frigidaire Refrigerator Solenoid-Actuator
45D241675803 Frigidaire Refrigerator Freezer Ice Dispenser Solenoid
46241716002 Frigidaire Refrigerator Control Rod
47241731801 Frigidaire Refrigerator Spring-Control Rod
48241684602 Frigidaire Refrigerator Control Rod Bracket
49241734401 Frigidaire Refrigerator Rail Assembly
50241675601 Frigidaire Refrigerator Solenoid Guide
51WCI 241676301
52241684901 Frigidaire Refrigerator Spacer-Fixed Blades
53241690402 Frigidaire Refrigerator Pin-Spiral
54241685001 Frigidaire Auger Nut
55241690306 Frigidaire Refrigerator Washer
56241690201 Frigidaire Refrigerator E-Ring
57241734101 Frigidaire Refrigerator Front Access Door Ice Bin