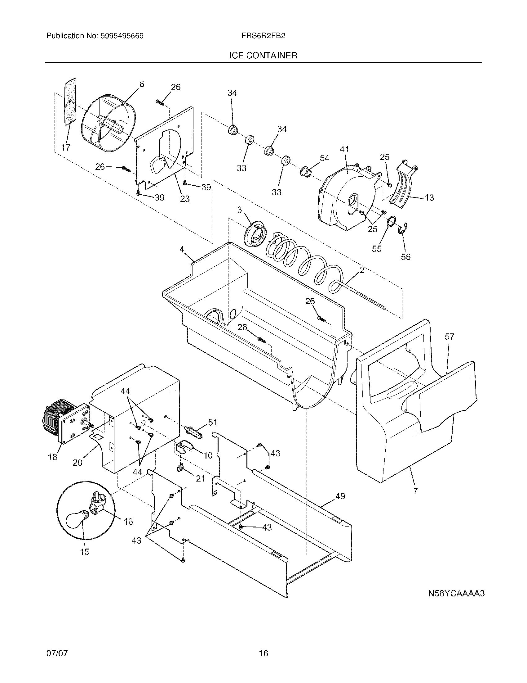
FRS6R2FB2 17 – ICE CONTAINER