| *63817 | SPACER-COND TUBE,BLACK |
| *63818 | WASHER, EXT TOOTH LOCK, NO. 10 (NON-ILLUSTRATED) |
| *63819 | WCI 3916557 |
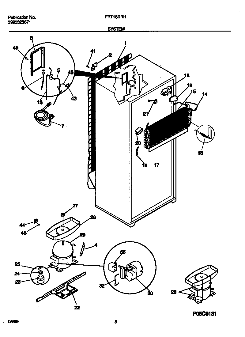
| 1 | WCI 218173900 |
| 2 | BRACKET, MOUNTIN, CONDENSER, (4) |
| 4 | 5303305677 Frigidaire Replacement Filter Dryer Filters |
| 5 | HARNESS-WIRING,CONTROL/DIVIDER |
| 6 | WCI 215257004 |
| 7 | CORD-ELECTRIC POWER |
| 8 | WCI 5303001197 |
| 13 | WCI 218429306 |
| 14 | 3206453 Frigidaire Refrigerator Defrost Heater 22 1/4" Wide X 4" Deep |
| 15 | EVAPORATOR |
| 16 | 5308000110 Frigidaire Refrigerator Evaporator/Heater Primary Strap |
| 17 | WCI 5303207493 |
| 18 | INSULATION BLOCK, RH |
| 19 | INSULATION PLUG, RH |
| 20 | INSULATION BLOCK, LH |
| 21 | 5303917954 Frigidaire Refrigerator Defrost Limit Thermostat Kit |
| 22 | WCI 218802500 |
| 23 | 218513300 Frigidaire Refrigerator Compressor Mount Grommet |
| 24 | WASHER-COMPR MTG |
| 25 | CLIP - COMPRESSOR MTG |
| 26 | WCI 215372500 |
| 27 | Nut,lock `1/4-20 ,drain pan mtg |
| 28 | PAN RETAINER KIT, SERVICE |
| 29 | 5304511983 Frigidaire Refrigerator Compressor Assembly Kit |
| 32 | 218740800 Frigidaire Refrigerator Clamp |
| 41 | 5308000039 Frigidaire Refrigerator Screw |
| 43 | 5303001199 Frigidaire Refrigerator Wiring Harness Clamp |
| 44 | 5308000133 Frigidaire Refrigerator Clamp |
| 45B | 5304455852 Frigidaire Refrigerator Screw |
| 45C | 5304455651 Frigidaire Refrigerator Screw |
| 45A | 218843801 Frigidaire Refrigerator Screw |
| 55 | 5304464438 Frigidaire Compressor Run Capacitor |