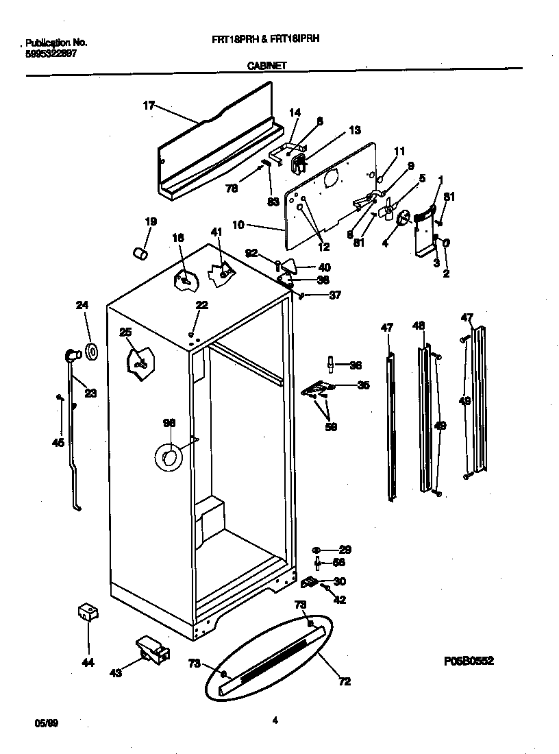
FRT18IPRHD0 03 – CABINET

FRT18IPRHD0 03 – CABINET