FRT18KREW1 06 – ICE MAKER

FRT18KREW1 06 – ICE MAKER

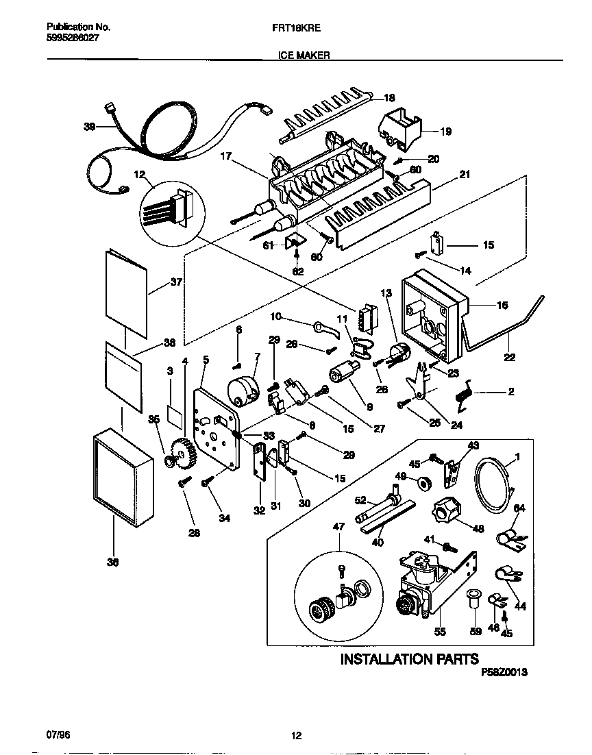
Products

PositionProduct
15308010366 Frigidaire Refrigerator P1-Water Inlet Tube
2WCI 3206348
3Label,ID plate
45304469403 Frigidaire Gear
5WCI 3206303
6218359202 Frigidaire Refrigerator Screw
75303918277 Frigidaire Refrigerator Ice Maker Assembly
8SPACER-HOLD SWITCH
9WCI 3206313
10WCI 3206315
113206319 Frigidaire Refrigerator Thermal Cut-Off Assembly P1
12BPLUG, ``ONLY``
12AHARNESS-WIRING, INTERNAL IM, WITH PLUG
13Thermostat Assy,ice maker
14SCREW,4-24 X 0.750 ,(6)
155304456667 Frigidaire Refrigerator Micro Switch
16WCI 3206326
17241798231 Frigidaire Refrigerator Ice Maker Assembly
18EJECTOR-ICE
19WCI 3206330
20WCI 3206331
21ICE STRIPPER
22SHUT-OFF ARM
23SCREW - SUP / MOLD BODY, 8-18 X 1, (4)
245304456675 Frigidaire Refrigerator Lever Arm
25SCREW,8-18 X 0.562 ,LEVER ARM/SPRT
26SCREW-THERMO/SPRT, 4-24 X 3/8, (4)
27SCREW,4-40 X 1.000 ,HOLD SWITCH MTG ,
28Screw-timing stop`4-40 x 0.375
29SCREW-MTR & SW/PLATE, 4-40 X 3/4, (4)
30SCREW-TIMING ADJ,8-32 X 1.000
31WCI 3206342
32WCI 3206343
33WCI 3206344
34SCREW - MTG PLATE / SPRT, 8-18 X 7/16, (3)
35SCREW - GEAR / CAM, 6-20 X 0.437
36COVER-ICE MAKER
37WCI 5303320544
38WCI 5303207445
39HARNESS-WIRING, ICE MAKER
405305877995 Frigidaire Refrigerator P-1 Sealing Strip
415308000039 Frigidaire Refrigerator Screw
435303001199 Frigidaire Refrigerator Wiring Harness Clamp
445308000133 Frigidaire Refrigerator Clamp
455304455651 Frigidaire Refrigerator Screw
465303001193 Frigidaire Refrigerator Clamp
47ADAPTER-WATER SPLY
48NUT, 7/16 X 20, NYLON
495303001147 Frigidaire Refrigerator Plug-Harness Hole
52215456100 Frigidaire Refrigerator Water Inlet Tube
55AWCI 218720300
55BCAP-WATER VALVE (NON-ILLUSTRATED)
59WCI 5303001191
605304455852 Frigidaire Refrigerator Screw
61218721500 Frigidaire Refrigerator Bracket-Leveling
62240555002 Frigidaire Refrigerator Screw #8-32 X 3/8
645304455846 Frigidaire Refrigerator Clamp