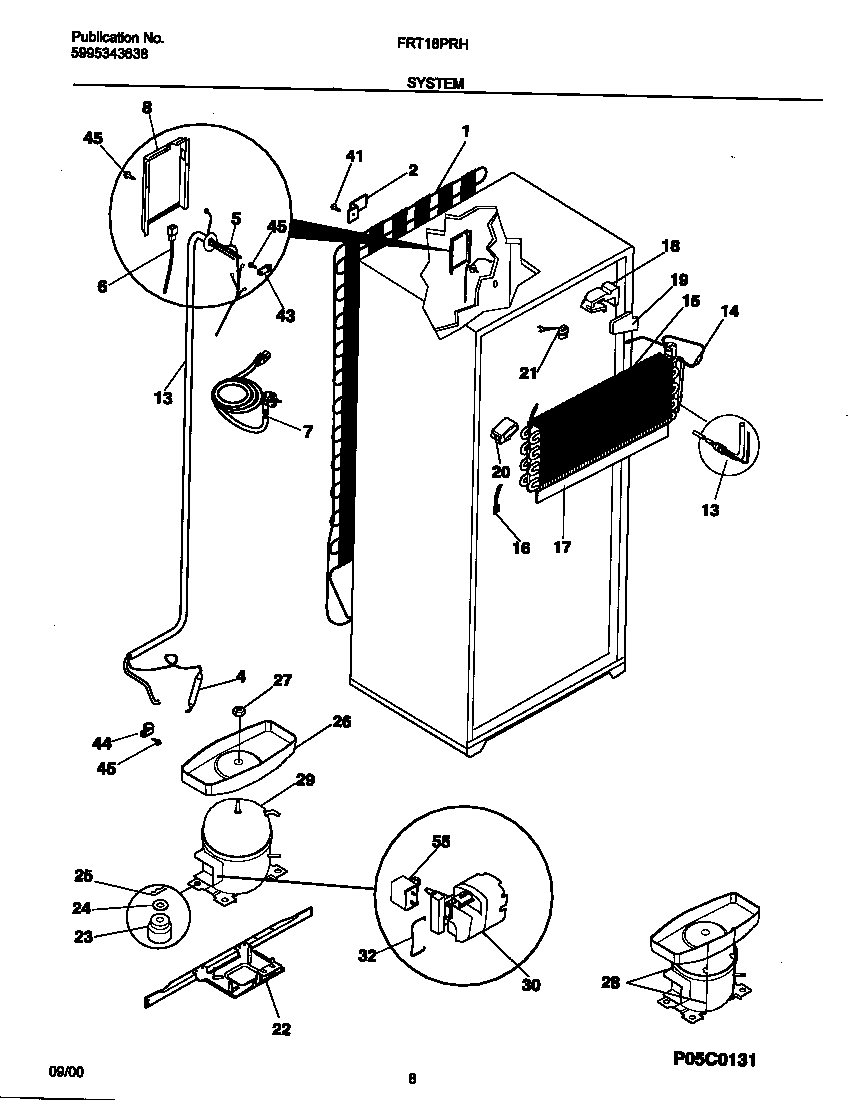
FRT18PRHD1 05 – SYSTEM