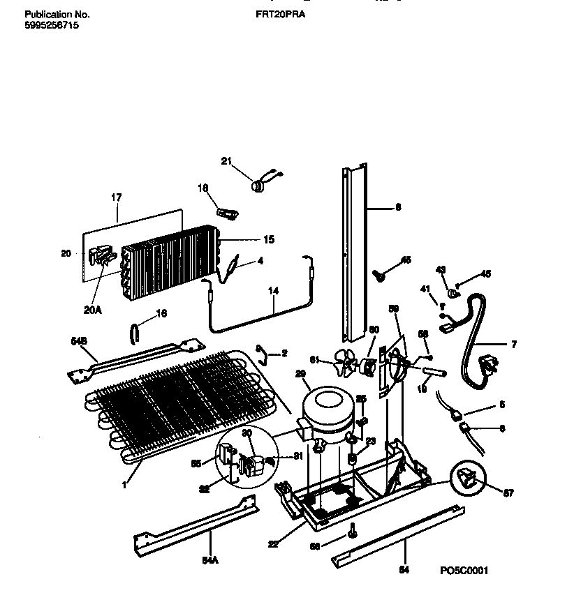
FRT20PRAD1 05 – COOLING SYSTEM