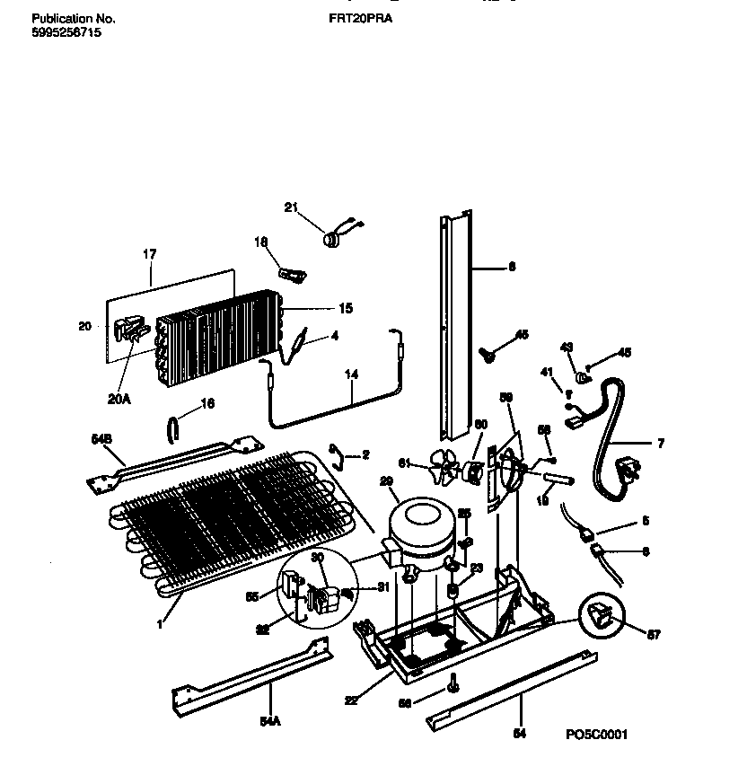
FRT20PRAD3 05 – COOLING SYSTEMadmin2025-04-26T08:44:57+00:00FRT20PRAD3 05 – COOLING SYSTEM ProductsPositionProduct1ASPACER TUBE1WCI 53032890252WCI 530328902945303305677 Frigidaire Replacement Filter Dryer Filters5WCI 2154583016WCI 2155016017WCI 2154592018WCI 5303289033145317842502 Frigidaire Defrost Heater15WCI 215379601165308000110 Frigidaire Refrigerator Evaporator/Heater Primary Strap17INSULATOR-EVAP, PLASTIC18WCI 530329240719TUBE-RUBBER20AWCI 530329240520WCI 5303292406215303917954 Frigidaire Refrigerator Defrost Limit Thermostat Kit22WCI 530328903023218513300 Frigidaire Refrigerator Compressor Mount Grommet25WCI 21501420029WCI 530392512530WCI 21600890031WCI 530327651432WCI 215012000415308000039 Frigidaire Refrigerator Screw435303001199 Frigidaire Refrigerator Wiring Harness Clamp43B5308000133 Frigidaire Refrigerator Clamp45B5304455852 Frigidaire Refrigerator Screw455304455651 Frigidaire Refrigerator Screw54BWCI 530328929254WCI 530328902754AWCI 530328931155WCI 21523620056WCI 21501410057WCI 21507380058240555002 Frigidaire Refrigerator Screw #8-32 X 3/859ASEAL-FOAM,COND FAN SHROUD59WCI 530328903160WCI 21550180061AGROMMET, SILENCER (NOT ILLUSTRATED)61BWCI 21500470061WCI 5303289032