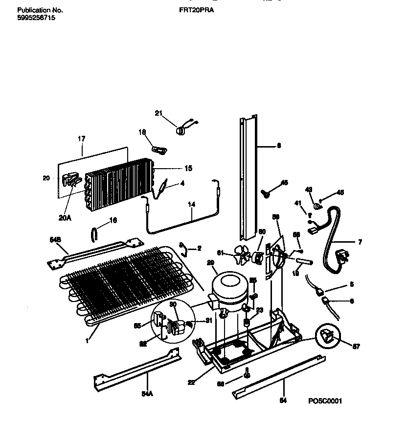
FRT20PRAW2 05 – COOLING SYSTEMadmin2025-04-26T08:44:55+00:00FRT20PRAW2 05 – COOLING SYSTEM ProductsPositionProduct1ASPACER TUBE1WCI 53032890252WCI 530328902945303305677 Frigidaire Replacement Filter Dryer Filters5WCI 2154583016WCI 2155016017WCI 2154592018WCI 5303289033145317842502 Frigidaire Defrost Heater15WCI 215379601165308000110 Frigidaire Refrigerator Evaporator/Heater Primary Strap17INSULATOR-EVAP, PLASTIC18WCI 530329240719TUBE-RUBBER20AWCI 530329240520WCI 5303292406215303917954 Frigidaire Refrigerator Defrost Limit Thermostat Kit22WCI 530328903023218513300 Frigidaire Refrigerator Compressor Mount Grommet25WCI 21501420029WCI 530391719030WCI 21600890031WCI 530327651432WCI 215012000415308000039 Frigidaire Refrigerator Screw435303001199 Frigidaire Refrigerator Wiring Harness Clamp43B5308000133 Frigidaire Refrigerator Clamp455304455651 Frigidaire Refrigerator Screw45B5304455852 Frigidaire Refrigerator Screw54BWCI 530328929254WCI 530328902754AWCI 530328931155WCI 21523620056WCI 21501410057WCI 21507380058240555002 Frigidaire Refrigerator Screw #8-32 X 3/859WCI 530328903159ASEAL-FOAM,COND FAN SHROUD60WCI 21550190161WCI 530328903261AWCI 21500480061BWCI 215004700