| *08123 | TOUCH, UP PAINT, ALMOND (NI) |
| *08122 | PLUG, BUTTON, CABINET LINER (NI) |
| *08121 | 5304455650 Frigidaire Refrigerator Screw |
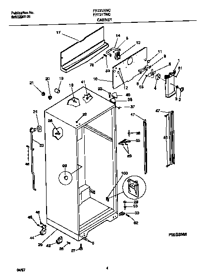
| 1 | WCI 5303307435 |
| 2 | WCI 5303307351 |
| 3 | Nut,push-on |
| 4 | WCI 218722200 |
| 5 | 5308000010 Frigidaire Refrigerator Evaporator Fan Blade |
| 6 | PLUG-BUTTON, ALMOND, UPR HINGE HOLES |
| 8 | G187559 Frigidaire Refrigerator Bushing |
| 9 | WCI 5303205118 |
| 10 | WCI 218802800 |
| 11 | 5303208309 Frigidaire Refrigerator Plug Hole |
| 12B | WCI 215079100 |
| 12A | WCI 215079000 |
| 13 | 5300158289 Frigidaire Evaporator Fan Motor |
| 14 | BRACKET-MOTOR MTG, REAR |
| 17 | WCI 5303001470 |
| 18 | SUPPORT - EVAP COVER, (2) |
| 19 | TUBE-RUBBER |
| 20 | WCI 5303001286 |
| 21 | WCI 5303001287 |
| 22 | WCI 215774911 |
| 23 | WCI 5303210377 |
| 24 | WCI 5303207353 |
| 25 | WCI 215774100 |
| 26 | WCI 218605102 |
| 27 | Screw-leveling,(2) |
| 28 | BOLT-ROLLER ADJ, HEX HD, 1/4-28 X 2.750 |
| 29B | WCI 5308011326 |
| 29A | WCI 218666700 |
| 30C | WCI 218605300 |
| 30B | WCI 218605200 |
| 30A | WCI 218220200 |
| 35 | WCI 218220102 |
| 36 | 218251300 Frigidaire Refrigerator Center Hinge Pin |
| 37 | WCI 5303321082 |
| 38B | TAPPING PLATE, UPPER HINGE (2) (NOT ILLUSTRATED) |
| 38A | WCI 3206100 |
| 40 | WCI 3206105 |
| 41B | 5304500407 Frigidaire Refrigerator Shelf Mounting Grommet |
| 41A | 5304509705 Frigidaire Refrigerator Grommet |
| 43 | WCI 218703001 |
| 44 | WCI 218713600 |
| 45 | 5304455651 Frigidaire Refrigerator Screw |
| 46 | BOLT-ROLLER MTG, HEX WASHER HEAD, 1/4-28 X 1/2, (2) |
| 47 | WCI 218233300 |
| 56 | 5303001321 Frigidaire Refrigerator Lower Hinge Pin |
| 59 | 240442708 Frigidaire Refrigerator Screw-#10-32 X 3/4 |
| 83 | WCI 5308000107 |
| 92 | 241710601 Frigidaire Refrigerator Screw |
| 98 | PLUG-BUTTON, ALMOND, CTR HINGE HOLE |
| 100 | SUPPORT-PAN COVER |