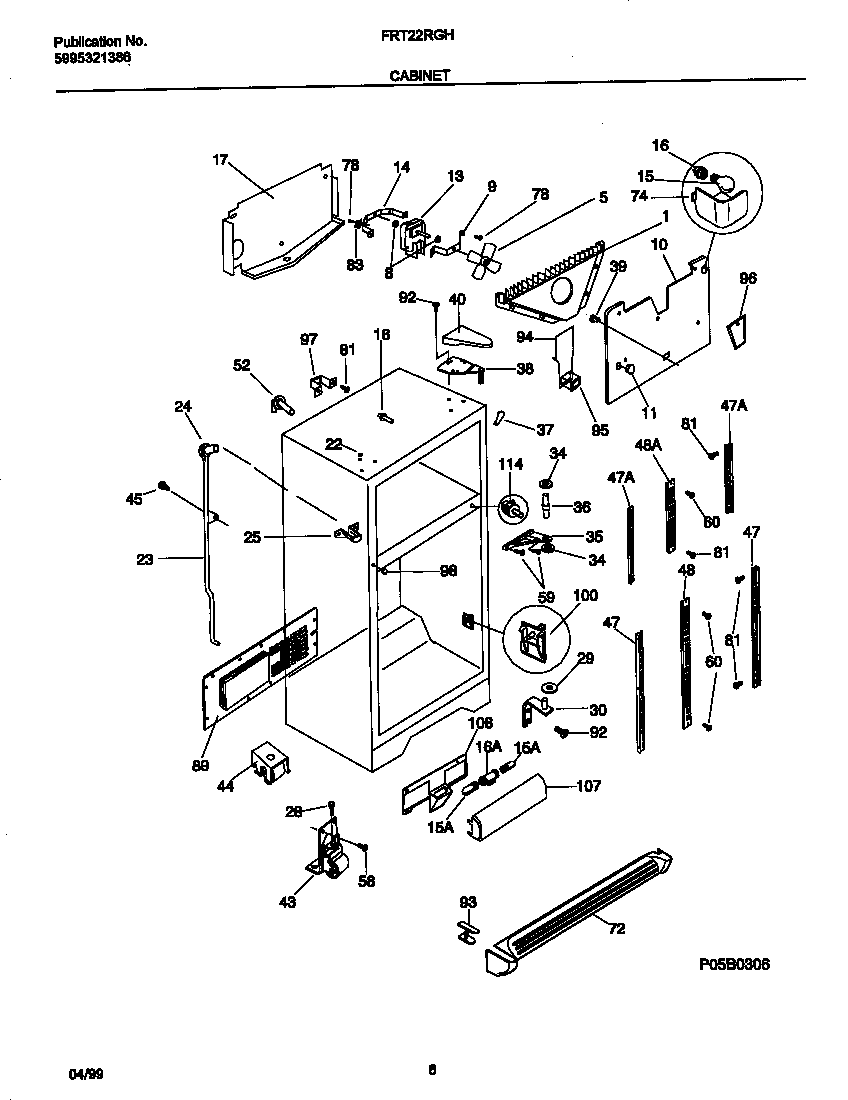
FRT22RGHW0 03 – CABINET

FRT22RGHW0 03 – CABINET

Products

PositionProduct
*61367WCI 215314300
*61372GROMMET-SHELF MTG,.69`` LONG
*61366WCI 215314301
*61369WCI 218150800
*61371WCI 5304403492
*61373SCREW-ROLLER MTG,SPCL IND HEX HD, 5/16-18(23) X 7/8
*61376SEAL-AIR DUCT COVER
*61380PLUG, BUTTON, CABINET LINER (NI)
*61368WCI 218730800
*613775303321319 Frigidaire Refrigerator White Touch Up Paint
*613745304455852 Frigidaire Refrigerator Screw
*61370WCI 218730700
*61365215474201 Frigidaire Refrigerator Washer
*61375PLUG-WTR INLET TUBE
1WCI 215937600
5WCI 5303292398
8G187559 Frigidaire Refrigerator Bushing
9WCI 5303292396
10WCI 5304405085
115303208309 Frigidaire Refrigerator Plug Hole
12WCI 5303292393
135300158289 Frigidaire Evaporator Fan Motor
14240438003 Frigidaire Refrigerator Bracket & Bushing
15WCI 218708700
15WCI 215812200
16SOCKET-LIGHT/LAMP
16WCI 5303299157
17WCI 5303292408
18SUPPORT - EVAP COVER, (2)
22215774901 Frigidaire Refrigerator Button Plug
23WCI 215266301
24WCI 5303207353
25WCI 5303292412
28WCI 5303289062
29WCI 215003200
30BRACKET-LOWER HINGE,RH/LH ,W/HINGE PIN
34WCI 218737000
35WCI 218780001
36WCI 215095900
37WCI 5303321081
38BRACKET-UPPER HINGE, WITH CLOSER, WHITE, LH
39WCI 08006983
40WCI 5303318773
41GROMMET-SHELF MTG,1.25`` LONG
43WCI 218615300
44WCI 218738300
455304455651 Frigidaire Refrigerator Screw
47WCI 218233300
48WCI 218877701
52TUBE-WATER,ICE MOLD FILL ,ELBOW
59240442708 Frigidaire Refrigerator Screw-#10-32 X 3/4
60218362501 Frigidaire Refrigerator Screw
72WCI 218359604
74WCI 215423500
815304455650 Frigidaire Refrigerator Screw
83WCI 5308000107
89WCI 5303288947
92241710601 Frigidaire Refrigerator Screw
93WCI 218362601
94WCI 5303319993
95WCI 218663101
96WCI 215775901
97WCI 5303289299
98215099701 Frigidaire Refrigerator Button Plug
100SUPPORT-PAN COVER
107WCI 218835902
108WCI 218834202
1145303289051 Frigidaire Refrigerator Light Switch