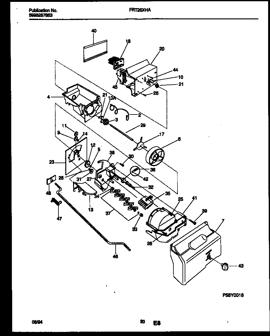
FRT26XHAK1 11 – ICE DISPENSERadmin2025-04-26T09:45:03+00:00FRT26XHAK1 11 – ICE DISPENSER ProductsPositionProduct*10905WCI 2159624002WCI 2182329003WCI 2182323004AWCI 2182705004WCI 2182169005WCI 2157481056WCI 2157528007WCI 2154216019WCI 21541970010241726501 Frigidaire Refrigerator Drive Bar10AWCI 21823280011WCI 21575520012WCI 21542040013WCI 21827030014WCI 21541990017WCI 21575480018AWCI 215832900185304462594 Frigidaire Refrigerator Motor-Auger20WCI 21537940223ARING-RETAINER (NOT ILLUSTRATED)23BSTUD (NOT ILLUSTRATED)23WCI 21575530025WCI 21542140026215503203 Frigidaire Refrigerator Door Handle Screw27WCI 21574840028WCI 21575510029WCI 21575750230WCI 21575730031WCI 21575740032ARING-SNAP (NOT ILLUSTRATED)32WCI 21574750133WCI 21574820034WCI 21574830035WCI 21575350036WCI 21575670037EWCI 21590660037WCI 21590670037ABLADE-CRUSHER, NO. 2 (NOT ILLUSTRATED)37ABLADE-CRUSHER, NO. 1 (NOT ILLUSTRATED)37BWCI 21590640037CSHAFT-CRUSHER (NOT ILLUSTRATED)37ABLADE-CRUSHER, NO. 3 (NOT ILLUSTRATED)37ABLADE-CRUSHER, NO. 4 (NOT ILLUSTRATED)37ABLADE-CRUSHER, NO. 5 (NOT ILLUSTRATED)37DRING-SNAP (NOT ILLUSTRATED)37ESPACER, (2) (NOT ILLUSTRATED)38WCI 21827010039WCI 21575700040WCI 21536300041WCI 21827020042WCI 21575600043ASPRING-KNOB (NOT ILLUSTRATED)43WCI 21575500244WCI 21835920045WCI 21593590146WCI 21525370247WCI 21525480048WCI 215898200