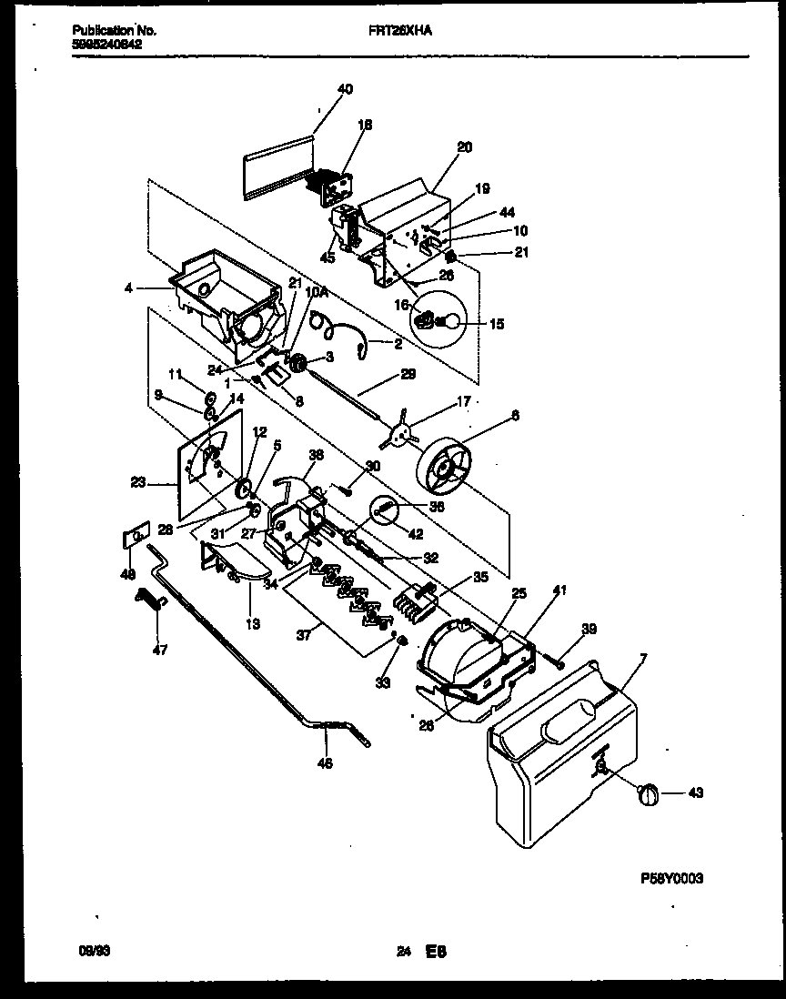
FRT26XHAY0 13 – ICE DISPENSERadmin2025-04-26T09:46:54+00:00FRT26XHAY0 13 – ICE DISPENSER ProductsPositionProduct1WCI 2155713002WCI 2154191003WCI 2154192004WCI 2154175005WCI 2157481056WCI 2157528007WCI 2154216048WCI 2155712009WCI 21541970010241726501 Frigidaire Refrigerator Drive Bar10AWCI 21575720011WCI 21575520012WCI 21542040013WCI 21542060014WCI 21541990015316538904 Frigidaire Oven Lamp Light16WCI 21576710017WCI 21575480018AWCI 215832800185304462594 Frigidaire Refrigerator Motor-Auger19WCI 21577100020WCI 21537940223WCI 21575530023BSTUD (NOT ILLUSTRATED)23ARING-RETAINER (NOT ILLUSTRATED)24WCI 21557140025WCI 21542140026215503203 Frigidaire Refrigerator Door Handle Screw27WCI 21574840028WCI 21575510029WCI 21575750230WCI 21575730031WCI 21575740032ARING-SNAP (NOT ILLUSTRATED)32WCI 21574750133WCI 21574820034WCI 21574830035WCI 21575350036WCI 21575670037GSHAFT-CRUSHER (NOT ILLUSTRATED)37EBLADE-CRUSHER, NO. 5 (NOT ILLUSTRATED)37DBLADE-CRUSHER, NO. 4 (NOT ILLUSTRATED)37CBLADE-CRUSHER, NO. 3 (NOT ILLUSTRATED)37BBLADE-CRUSHER, NO. 2 (NOT ILLUSTRATED)37ABLADE-CRUSHER, NO. 1 (NOT ILLUSTRATED)37HRING-SNAP (NOT ILLUSTRATED)37FWCI 21590640037JWCI 21590660037WCI 21590670037ISPACER, (2) (NOT ILLUSTRATED)38WCI 21575690040WCI 21536300041WCI 21575680042WCI 21575600043ASPRING-KNOB (NOT ILLUSTRATED)43WCI 21575500144WCI 21528520045WCI 21593590146WCI 21525370247WCI 21525480048WCI 21589820087307WCI 215962400