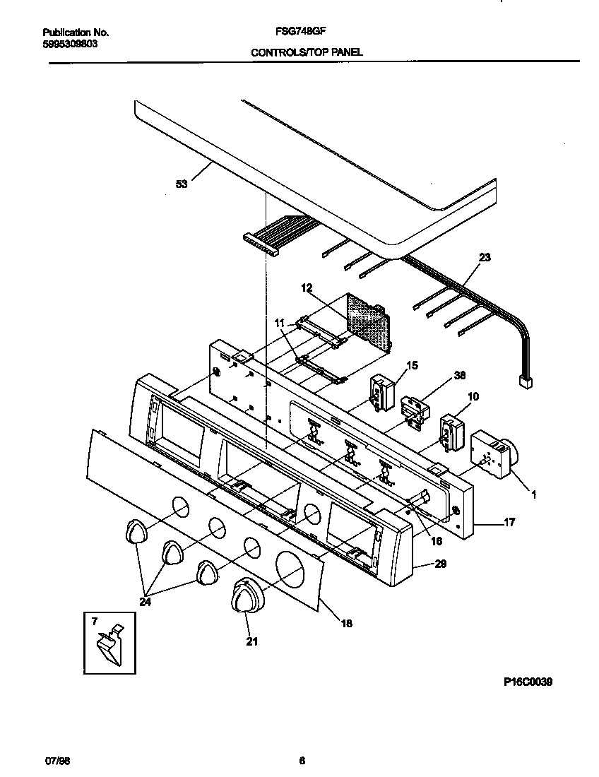
FSG748GFS0 04 – CONTROLS/TOP PANELadmin2025-04-26T09:18:06+00:00FSG748GFS0 04 – CONTROLS/TOP PANEL ProductsPositionProduct*21765WCI 1316412001WCI 13171010073205821 Frigidaire Clip10134398300 Frigidaire Washer Dryer Turn-to-Start Switch11BRACKET-CONTROL BOARD12CONTROL BOARD,MOISTURE SENSOR15WCI 13164190016218359202 Frigidaire Refrigerator Screw17WCI 13176450018WCI 13171290021WCI 13126490023WCI 13163690024131965300 Frigidaire Rotary Dryer White Control Knob29WCI 13168970038WCI 13104830053WCI 131601308