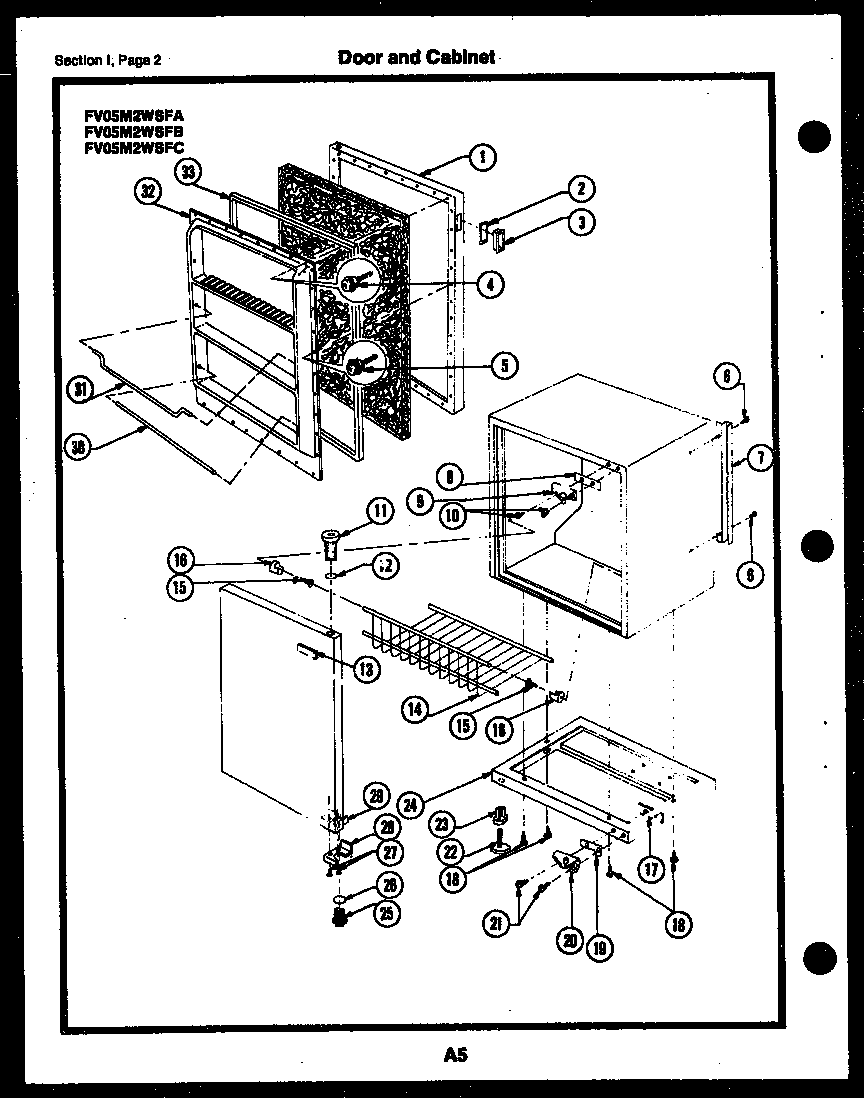
FV05M2WSFA 01 – DOOR AND CABINETadmin2025-04-26T11:00:12+00:00FV05M2WSFA 01 – DOOR AND CABINET ProductsPositionProduct14PACKAGE RACK30WCI F12625931SHELF ROD OFFSET (2)