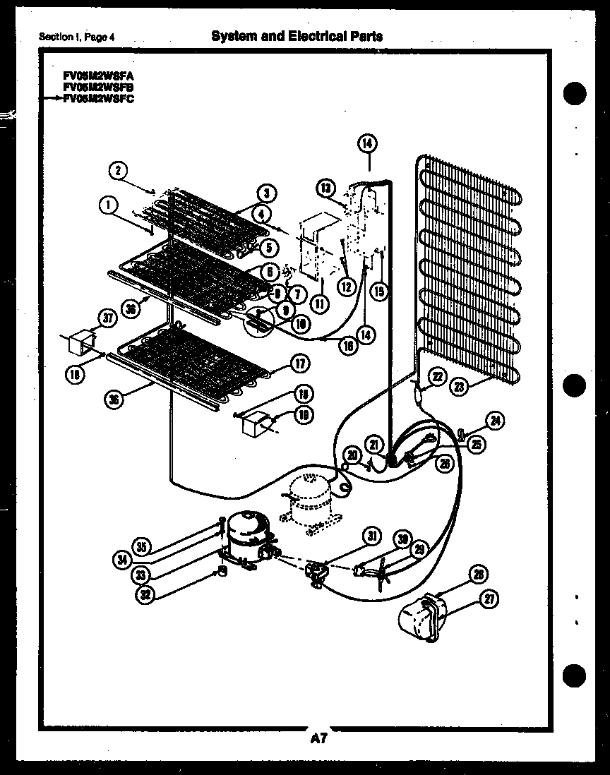
FV05M2WSFA 02 – SYSTEM AND ELECTRICAL PARTS
Products
| Position | Product |
|---|---|
| 27 | 5303006412 Frigidaire Refrigerator Cover Mounting Strap |
| 29 | CLIP |
| 30 | OVERLOAD (NON-ILLUSTRATED) |
| 31 | RELAY (NON-ILLUSTRATED) |
| 33 | WCI F124019 |
FV05M2WSFA 02 – SYSTEM AND ELECTRICAL PARTS
| Position | Product |
|---|---|
| 27 | 5303006412 Frigidaire Refrigerator Cover Mounting Strap |
| 29 | CLIP |
| 30 | OVERLOAD (NON-ILLUSTRATED) |
| 31 | RELAY (NON-ILLUSTRATED) |
| 33 | WCI F124019 |