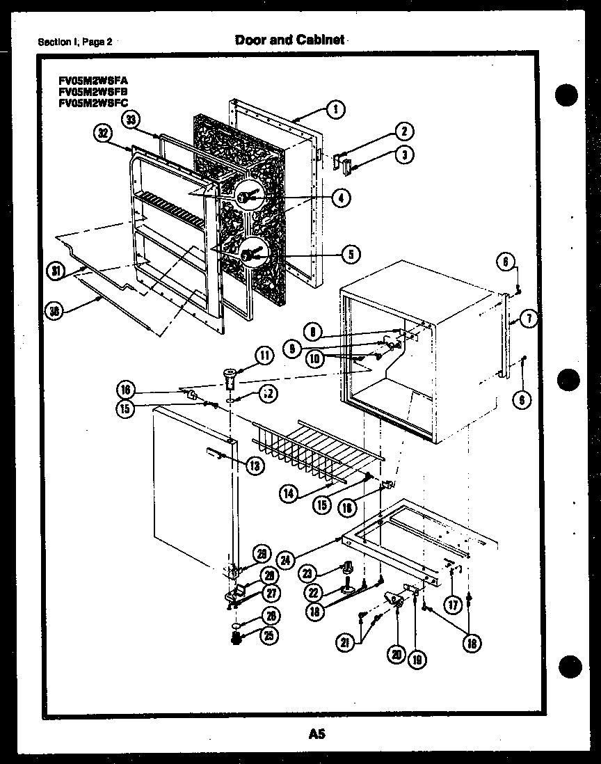
FV05M2WSFB 01 – DOOR AND CABINETadmin2025-04-26T11:00:26+00:00FV05M2WSFB 01 – DOOR AND CABINET ProductsPositionProduct6216858001 Frigidaire Refrigerator Screw7WIRE COVER13WCI F120868