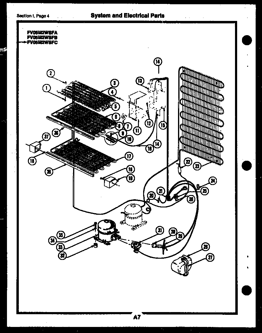
FV05M2WSFC 02 – SYSTEM AND ELECTRICAL PARTSadmin2025-04-26T11:02:48+00:00FV05M2WSFC 02 – SYSTEM AND ELECTRICAL PARTS ProductsPositionProduct1WCI F1262602GROMMET SPACER3TOP EVAP PLATE4CLIP-HOUSING TO BRACKET5WCI F1213666HEAT EXCHANGER (NON-ILLUSTRATED)7WCI F1264048TOP EVAP SHELF9SCREW-CLAMP10WCI F9685011WCI F126255-212SCREW CONTROL13WCI F12625615BRACKET - COLD CONTROL16TUBE17BOTTOM EVAP SHELF19SUPPORT FRONT RH (2)20SCREW (5)21WCI F128533225303305677 Frigidaire Replacement Filter Dryer Filters23EXTERNAL CONDENSER (NON-ILLUSTRATED)24WCI F59872255304455846 Frigidaire Refrigerator Clamp26216858001 Frigidaire Refrigerator Screw27WCI F12864528WCI F12864431WCI F12864032216498900 Frigidaire Refrigerator Grommet33WCI F12863934SLEEVE35WCI F5921136WCI F12623437SUPPORT FRONT LH (2)