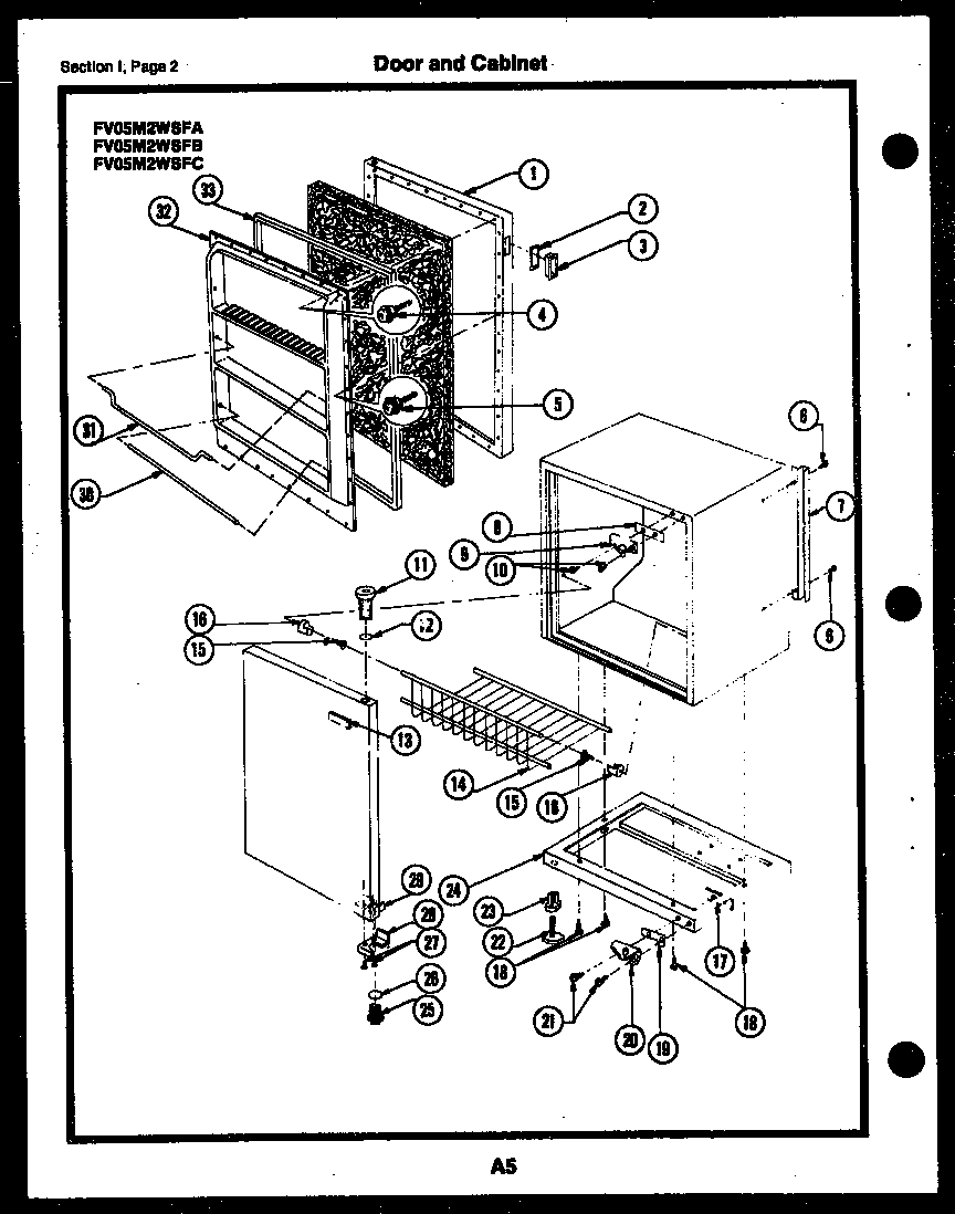
FV13M2WSFA 01 – DOOR AND CABINETadmin2025-04-26T11:00:36+00:00FV13M2WSFA 01 – DOOR AND CABINET ProductsPositionProduct1WCI F126315-642WCI F1126393HANDLE RECESSED4SCREW-PANEL7WIRE COVER8WCI F1263219HINGE TOP10SCREW TOP HINGE (2)11BEARING TOP HINGE12RING SEAL TOP HINGE13WCI F12086813WCI F12876713WCI F12876013TAPE-FRAME MOUNTING (NON-ILLUSTRATED)14PACKAGE RACK14WCI F12813915216858001 Frigidaire Refrigerator Screw16SUPPORT PACKAGE RACK (2)17TAPPING PLATE BOTTOM HINGE (2)18SCREW BASE ASSEMBLY (4)19SPACER BOTTOM HINGE20HINGE BOTTOM21154518001 Frigidaire Refrigerator Screw22LEG LEVELER (2)23INSERT LEG LEVELER (2)24WCI F12619125WCI F8489326WASHER27SCREW-STOP28BRACKET-DOOR STOP29STO DOOR30WCI F12625930WCI F12814031SHELF ROD OFFSET (2)31WCI F12813832WCI F126450-9533WCI F12619433WCI F126232