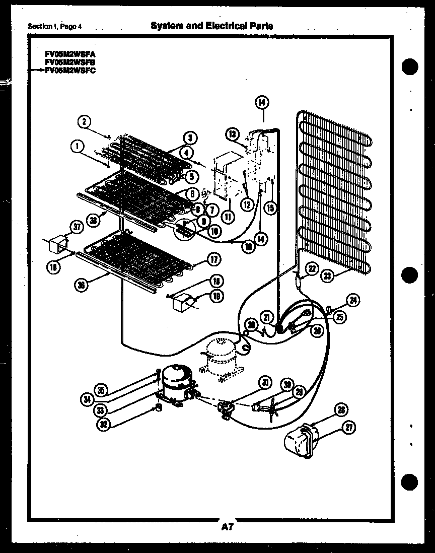
FV13M2WSFC 02 – SYSTEM AND ELECTRICAL PARTSadmin2025-04-26T11:00:10+00:00FV13M2WSFC 02 – SYSTEM AND ELECTRICAL PARTS ProductsPositionProduct*06533WCI G1860411WCI F1262602GROMMET SPACER3TOP EVAP PLATE4CLIP-HOUSING TO BRACKET5WCI F1213666HEAT EXCHANGER (NON-ILLUSTRATED)7WCI F1264048TOP EVAP SHELF9SCREW-CLAMP10WCI F9685011WCI F126255-212SCREW CONTROL13WCI F12625615BRACKET - COLD CONTROL16TUBE17BOTTOM EVAP SHELF19SUPPORT FRONT RH (2)20SCREW (5)21WCI F12853321HARNESS225303305677 Frigidaire Replacement Filter Dryer Filters23EXTERNAL CONDENSER (NON-ILLUSTRATED)24WCI F59872255304455846 Frigidaire Refrigerator Clamp26216858001 Frigidaire Refrigerator Screw275303006412 Frigidaire Refrigerator Cover Mounting Strap27CLAMP COVER27WCI F12864528WCI F12758028WCI F12864429CLIP29WCI F12757930WCI F12758130OVERLOAD (NON-ILLUSTRATED)31RELAY (NON-ILLUSTRATED)31WCI F12864031WCI F12779532216498900 Frigidaire Refrigerator Grommet33WCI F12401933WCI F12779933WCI F12863934SLEEVE35WCI F5921136WCI F12623437SUPPORT FRONT LH (2)