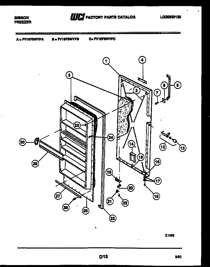
FV16F5WVFB 02 – DOOR PARTSadmin2025-04-26T11:00:50+00:00FV16F5WVFB 02 – DOOR PARTS ProductsPositionProduct1WCI F129300-S2WIRE3WCI F1162774AWCI F3002464WCI F1287685WCI F1191656WCI F1169807WCI F11136512WCI G19035813297147700 Frigidaire Freezer Plastic Door Key14AIR DUCT BREATHER16WCI F5788017WASHER BRACKET (2)18SCREW, BRACKET (2)19BRACKET-DOOR STOP20STO DOOR21AWCI F8489321297006800 Frigidaire Refrigerator Bearing Hinge22SCREW-STOP23WCI F12979624216858001 Frigidaire Refrigerator Screw25SCREW-PANEL26WCI F127155-9527WCI F99438285303212828 Frigidaire Refrigerator Primary Clip29WCI F127157305303925377 Frigidaire Refrigerator Endcap Kit R & L