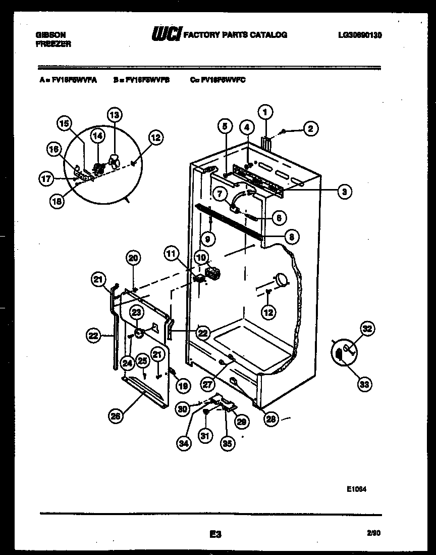
FV16F5WVFB 04 – INTERIOR PARTSadmin2025-04-26T11:01:12+00:00FV16F5WVFB 04 – INTERIOR PARTS ProductsPositionProduct1WCI F915832WCI F968493WCI F3002484WCI F1171516WCI F924727SOCKET8WCI F1280519SCREW (2)10WCI F11175911WCI F12697713FAN-BLADE14FAN-MOTOR15WCI F90503-216WCI F12711218SCREW-MOTOR19WCI F11173220WCI F5014421216858001 Frigidaire Refrigerator Screw22WCI F11178223WCI F12776224SCREW KNOB25131168200 Frigidaire Dryer Screw26WCI F11172527WCI F9542428WCI F12851829WCI F12996530SCREW (5)31WCI 301717832WCI 320534933AWCI F30021033ALARM SENSOR34WCI F12852035WCI F128519