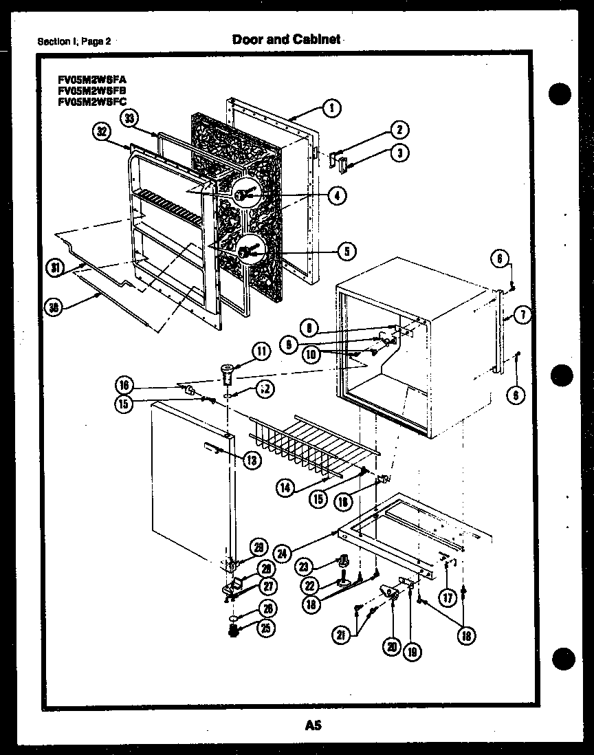
FV16M4WSFA 01 – DOOR AND CABINET