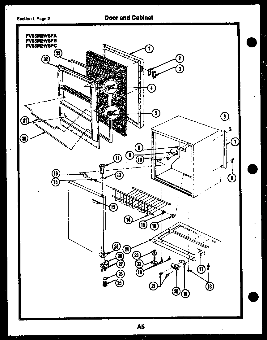
FV19F5WSFB 01 – DOOR AND CABINET