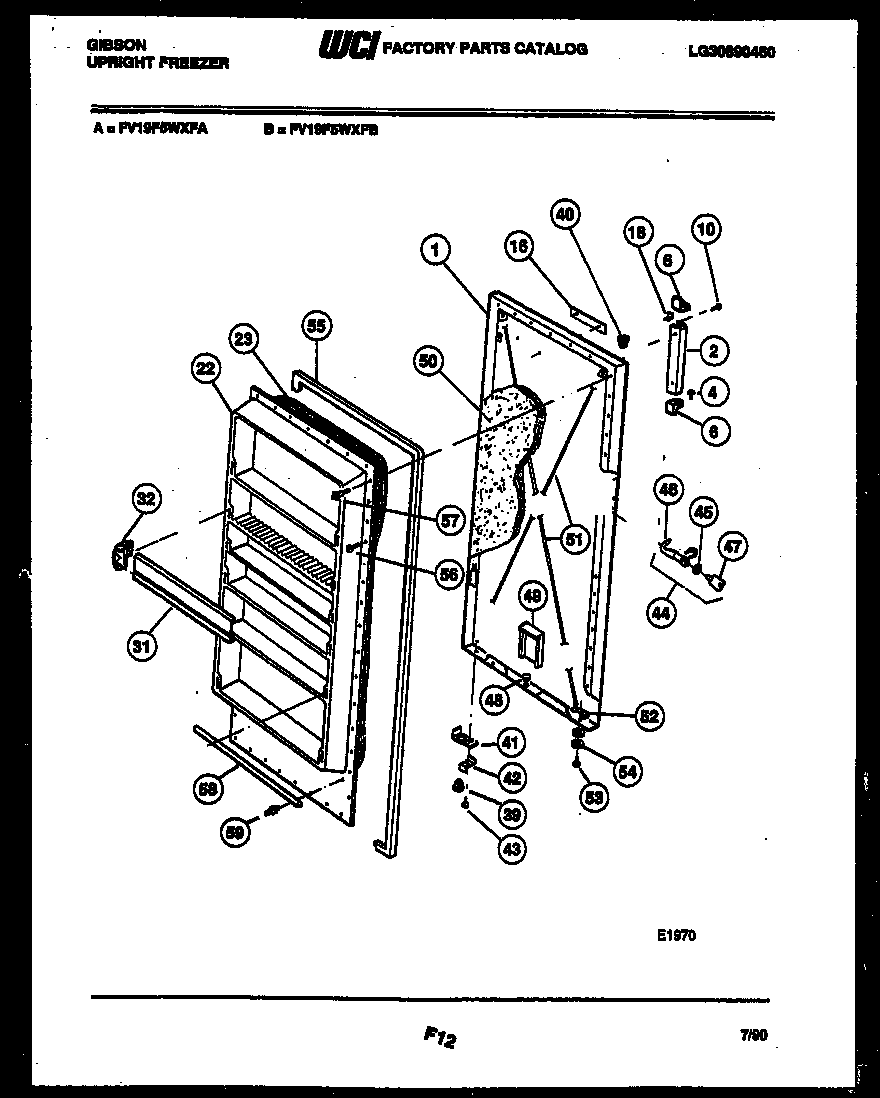
FV19F5WXFB 02 – DOOR PARTSadmin2025-04-26T11:04:25+00:00FV19F5WXFB 02 – DOOR PARTS ProductsPositionProduct1WCI 53119928642WCI 53032099554SCREW SHIELD6HANDLE END CAP-TOP6HANDLE END CAP-BOTTOM10131168200 Frigidaire Dryer Screw16WCI 530320996218WCI 530011993022INNER PANEL-WHITE23INSULATION (CUT TO SIZE)31FRONT-SHELF NARROW325303925377 Frigidaire Refrigerator Endcap Kit R & L39297006800 Frigidaire Refrigerator Bearing Hinge40WCI 530659336441WCI 530009117042DOOR STOP43Screw,door stop mtg ,4.0 x 0.7-19.7 ,flat hd,metric44WCI 530019035845Washer-sealing46WCI 320200547297147700 Frigidaire Freezer Plastic Door Key48Valve,breather ,door base49WCI 530012842150INSULATION-BULK (NON-ILLUSTRATED)51WCI 0803798152WCI 0587985953SCREW54WASHER, PLAIN, DOOR BRACKET55WCI 320625656216858001 Frigidaire Refrigerator Screw57WCI 0800938458WCI 5308016356595303212828 Frigidaire Refrigerator Primary Clip