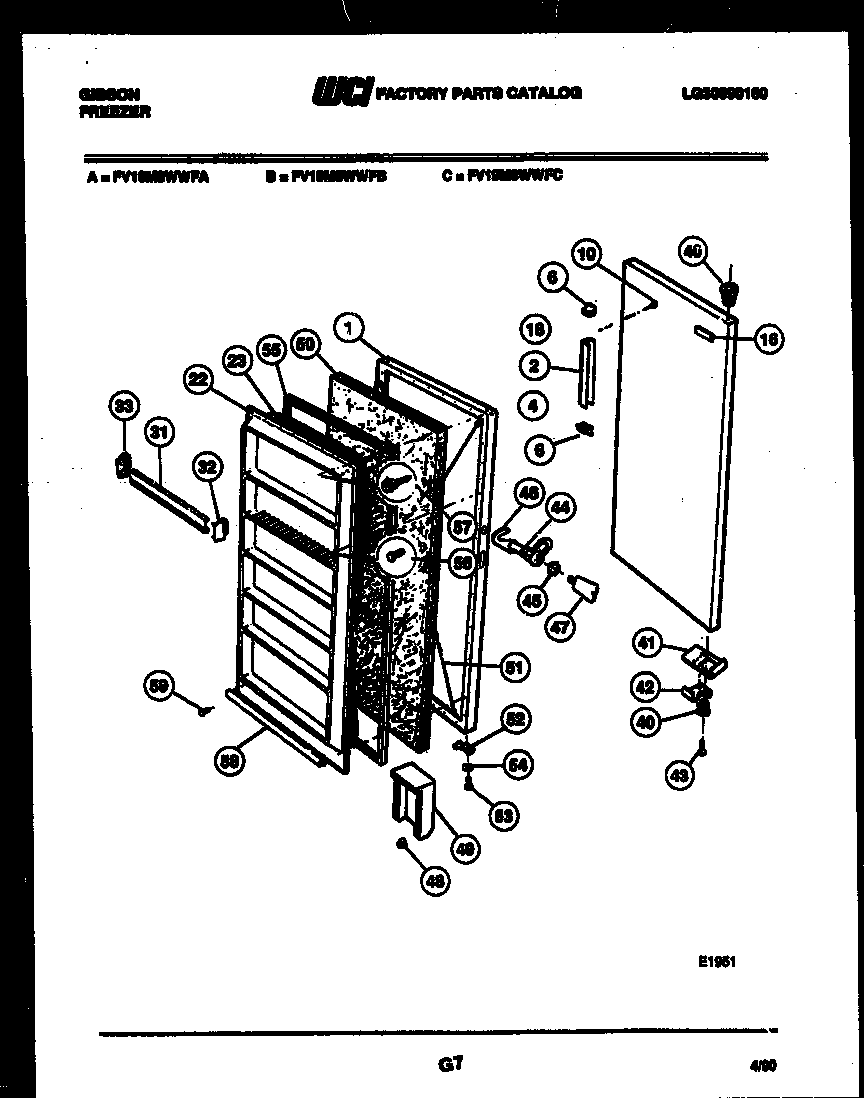
FV19M8WWFC 02 – DOOR PARTSadmin2025-04-26T11:03:50+00:00FV19M8WWFC 02 – DOOR PARTS ProductsPositionProduct1WCI F119928-S2WCI F1249204SCREW SHIELD6HANDLE END CAP-TOP6HANDLE END CAP-BOTTOM10131168200 Frigidaire Dryer Screw16WCI F12876717WCI F30024618RETAINER22WCI 531246989523INSULATION (CUT TO SIZE)31FRONT SHELF (5)32END CAP, RH WIDE (3)33END CAP LH WIDE (3)40WCI 530659336440297006800 Frigidaire Refrigerator Bearing Hinge41WCI 530009117042DOOR STOP43Screw,door stop mtg ,4.0 x 0.7-19.7 ,flat hd,metric44WCI 530019035845Washer-sealing46WCI 320200547297147700 Frigidaire Freezer Plastic Door Key48Valve,breather ,door base49WCI 530012842150INSULATION-BULK (NON-ILLUSTRATED)51WCI 0803798152WCI 0587985953SCREW54WASHER, PLAIN, DOOR BRACKET55WCI 320625656216858001 Frigidaire Refrigerator Screw57WCI 0800938458WCI 5308016356595303212828 Frigidaire Refrigerator Primary Clip