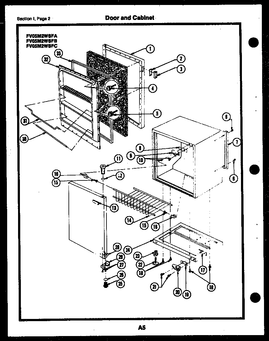
FV21M2WSFA 01 – DOOR AND CABINET