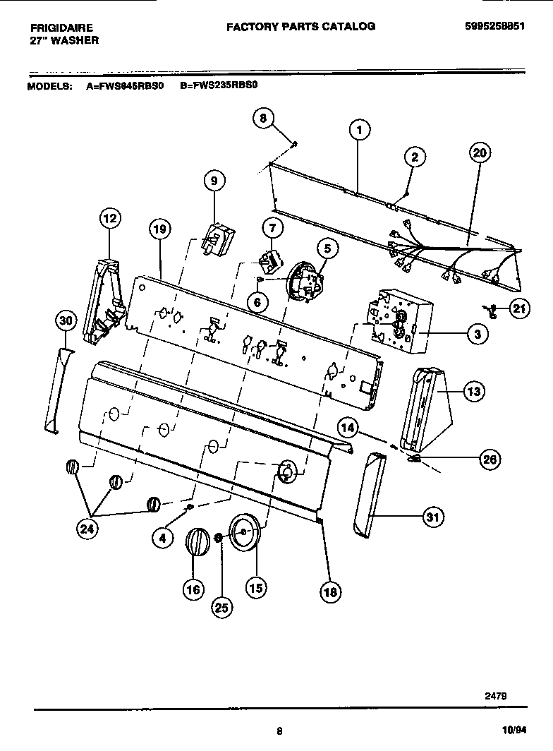
FWS235RBT0 05 – CONSOLE & CONTROLSadmin2025-04-26T13:16:55+00:00FWS235RBT0 05 – CONSOLE & CONTROLS ProductsPositionProduct1BACKSHEET2131243700 Frigidaire Screw3WCI 1312378004SCREW (2)5134680100 Frigidaire Pressure Switch8131205100 Frigidaire Screw9WCI 13104700012END CAP-L.H.-WHITE12AWCI 13112271213END CAP-R.H.-WHITE13AWCI 13112270214WCI 530328652615AWCI 13114070215WCI 13114070116WCI 13114060116AWCI 13114060218WCI 13125170018AWCI 13125200019WCI 13129730620WCI 13116560021131243800 Frigidaire Screw21A131168200 Frigidaire Dryer Screw24AWCI 13114110224131858004 Frigidaire Control Knob, White25Spacer,washer ,timer shaft26CLIP-CONSOLE MTG30COVER-CAP-LH-WHITE30AWCI 13112261231COVER-CAP-RH-WHITE31AWCI 131122602