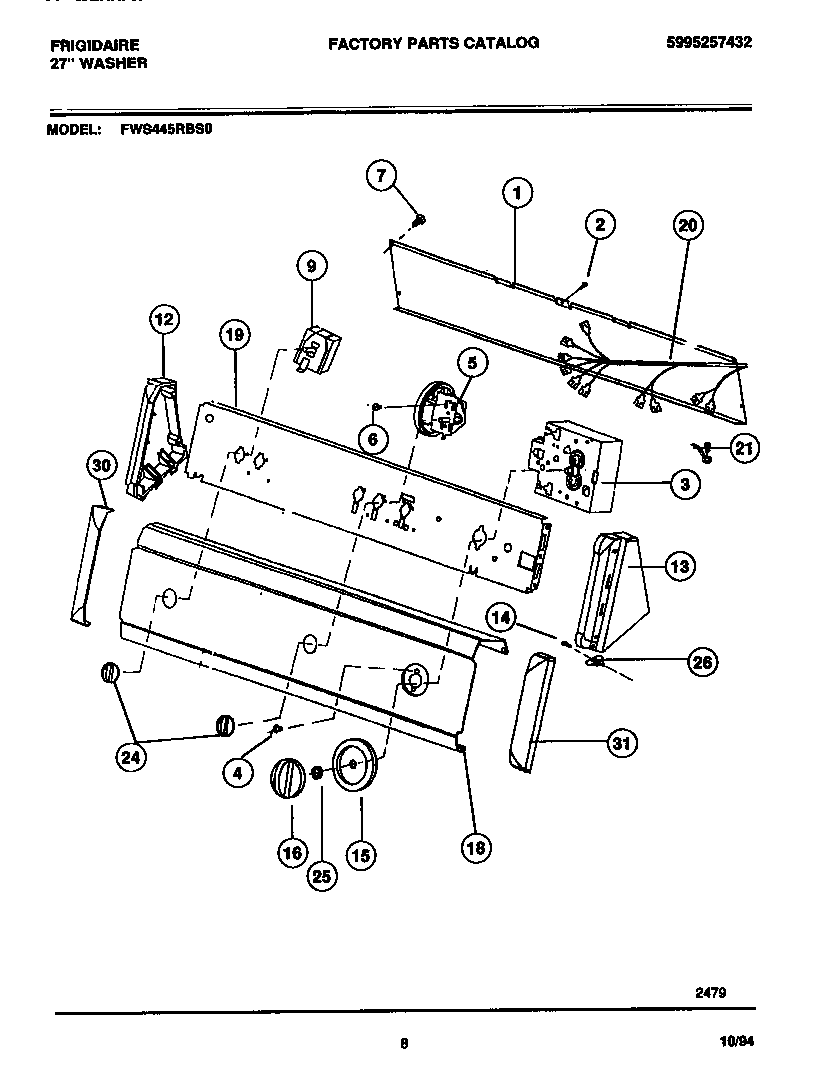
FWS445RBS0 05 – CONSOLE & CONTROLSadmin2025-04-26T13:15:56+00:00FWS445RBS0 05 – CONSOLE & CONTROLS ProductsPositionProduct1BACKSHEET2131243700 Frigidaire Screw3WCI 1312380004SCREW (2)5134680100 Frigidaire Pressure Switch6131168200 Frigidaire Dryer Screw7131205100 Frigidaire Screw9WCI 13108120012END CAP-L.H.-WHITE13END CAP-R.H.-WHITE14WCI 530328952615WCI 13114070116WCI 13114060118WCI 13125310019WCI 13129730620WCI 13116610021131243800 Frigidaire Screw24131858004 Frigidaire Control Knob, White25Spacer,washer ,timer shaft26CLIP-CONSOLE MTG30COVER-CAP-LH-WHITE31COVER-CAP-RH-WHITE