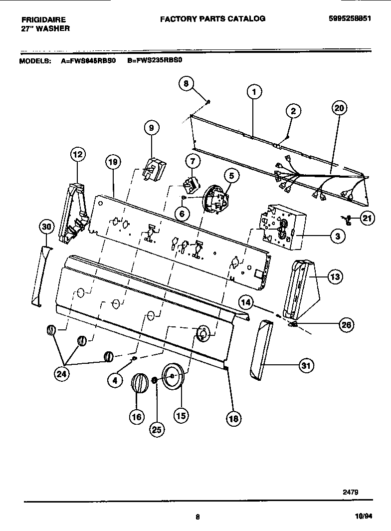
FWS645RBS0 05 – CONSOLE & CONTROLSadmin2025-04-26T08:39:18+00:00FWS645RBS0 05 – CONSOLE & CONTROLS ProductsPositionProduct1BACKSHEET2131243700 Frigidaire Screw3WCI 1312383004SCREW (2)5134680100 Frigidaire Pressure Switch7WCI 1311204008131205100 Frigidaire Screw9WCI 13108120012AWCI 13112271212END CAP-L.H.-WHITE13END CAP-R.H.-WHITE13AWCI 13112270214WCI 530328652615WCI 13114070115AWCI 13114070216AWCI 13114060216WCI 13114060118AWCI 13125400018WCI 13125360019WCI 13129730620WCI 13129710021131243800 Frigidaire Screw21A131168200 Frigidaire Dryer Screw24131858004 Frigidaire Control Knob, White24AWCI 13114110225Spacer,washer ,timer shaft26CLIP-CONSOLE MTG30AWCI 13112261230COVER-CAP-LH-WHITE31COVER-CAP-RH-WHITE31AWCI 131122602