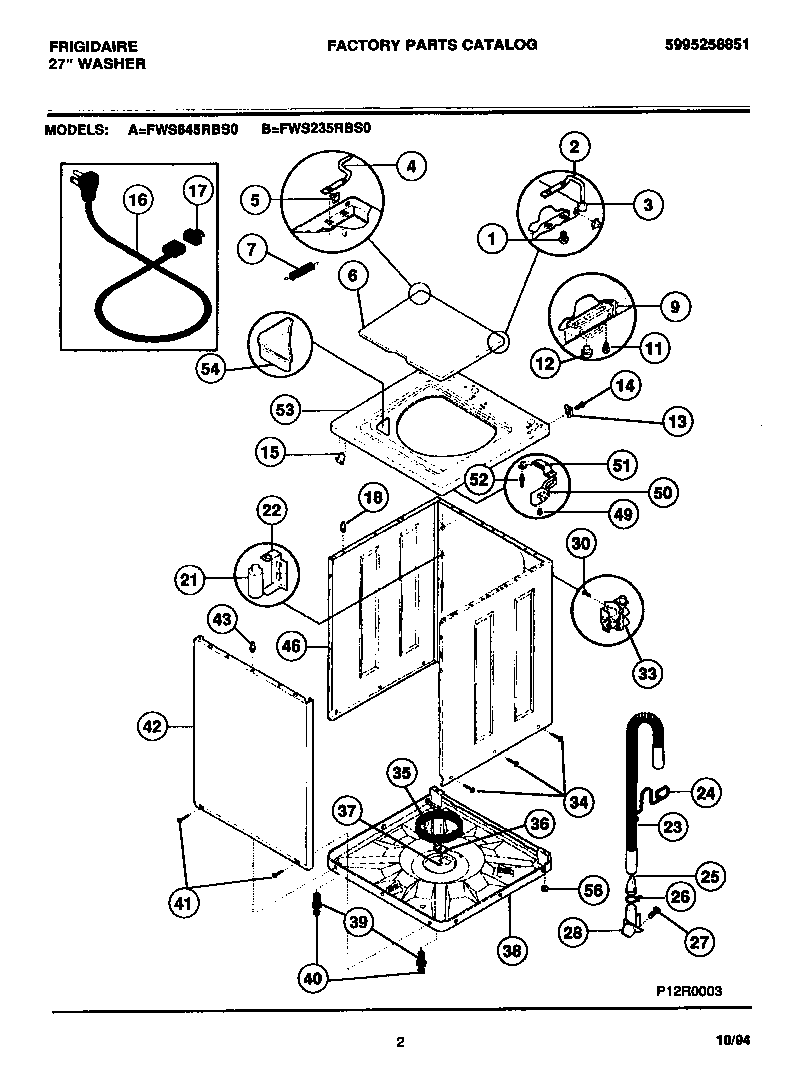
FWS645RBT0 02 – CABINET, TOP PANEL, BASEadmin2025-04-26T08:39:18+00:00FWS645RBT0 02 – CABINET, TOP PANEL, BASE ProductsPositionProduct1SCREW2WCI 1313742003WCI 53032087484WCI 13138590055303208743 Frigidaire Grommet6WCI 1313779006AWCI 1313779017134890500 Frigidaire Spring9131390000 Frigidaire Door Catch-Strike113204368 Frigidaire Screw-Strike12134075500 Frigidaire Bumper-LID13WCI 530320875114131168200 Frigidaire Dryer Screw153205821 Frigidaire Clip165304505407 Frigidaire Cord175303209428 Frigidaire Serv.Cord Bushing21WCI 530801490322WCI 530316125223WCI 13121020024RETAINER253204375 Frigidaire Check Valve26WCI 13112761627131205100 Frigidaire Screw28WCI 320437630131202300 Frigidaire Screw33134190200 Frigidaire Washer Water Valve34131205500 Frigidaire Screw35SNUBBER RING36SHIPPING BLOCK37WCI 13110290038WCI 530330024739134548800 Frigidaire Washer Leg Levelling40PAD-LEG41131302800 Frigidaire Drum Vane Screw42WCI 13110430342APANEL - FRONT - ALMD43WCI 13134640046AWCI 530393175846WCI 13120710049131243800 Frigidaire Screw50WCI 320564651BRACKET-LID LOCK52RIVET (3)53AWCI 13138621453WCI 13138621254WCI 530320877856131422200 Frigidaire P-1 Self Level Leg Pad