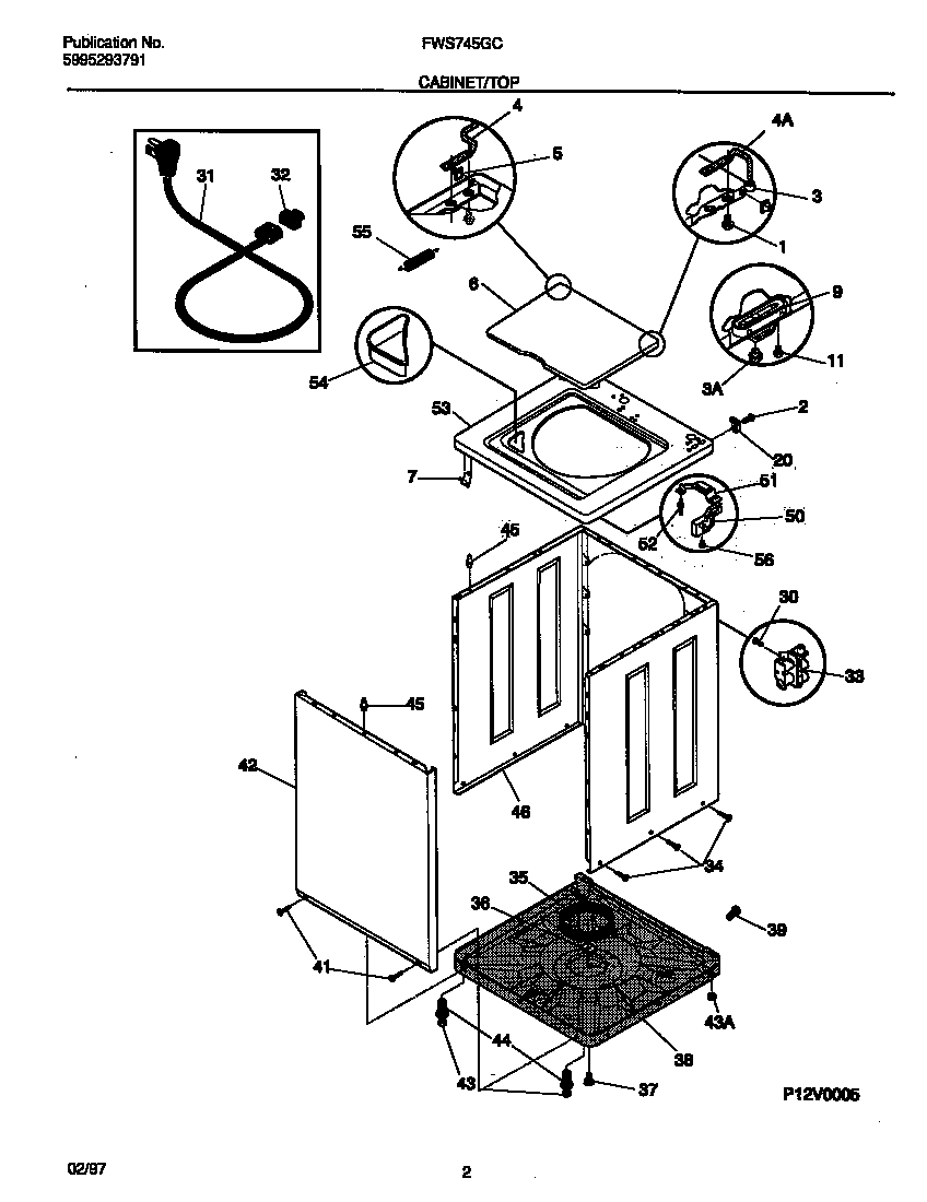
FWS745GCS3 02 – CABINET/TOPadmin2025-04-26T08:39:30+00:00FWS745GCS3 02 – CABINET/TOP ProductsPositionProduct*262005303309503 Frigidaire Clip1134203900 Frigidaire Scr 6-32X.337 Pph D2131168200 Frigidaire Dryer Screw3WCI 1314333003134075500 Frigidaire Bumper-LID4WCI 1313742104WCI 13138591055303208743 Frigidaire Grommet6LID-WHITE73205821 Frigidaire Clip9131390000 Frigidaire Door Catch-Strike113204368 Frigidaire Screw-Strike20WCI 530320875130131202300 Frigidaire Screw315304505407 Frigidaire Cord325303209428 Frigidaire Serv.Cord Bushing33134190200 Frigidaire Washer Water Valve34131205500 Frigidaire Screw35SNUBBER RING36SHIPPING BLOCK37WCI 13110290038WCI 530331121339131205100 Frigidaire Screw41131302800 Frigidaire Drum Vane Screw42WCI 13110430343131422200 Frigidaire P-1 Self Level Leg Pad43WCI 13142210044134548800 Frigidaire Washer Leg Levelling45WCI 13134640046BODY-WHITE (WWX223REW1)50WCI 13159510051BRACKET-LID LOCK52RIVET (3)53WCI 13145261254WCI 530320877855134890500 Frigidaire Spring56131243800 Frigidaire Screw