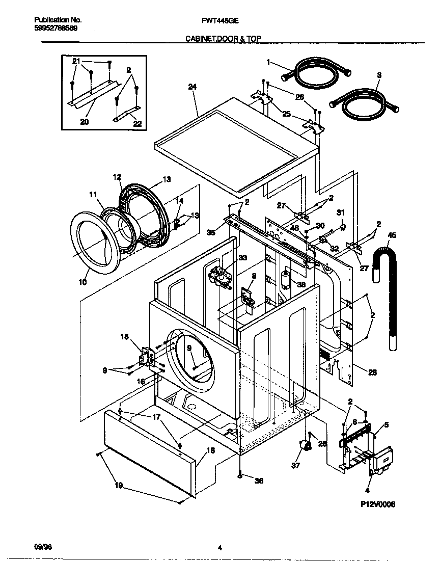
FWT445GES0 03 – CABINET/DOOR/TOPadmin2025-04-26T08:39:20+00:00FWT445GES0 03 – CABINET/DOOR/TOP ProductsPositionProduct*26361131396100 Frigidaire PLUG-HOLE*26360131445600 Frigidaire Washer Kit (O/S1)15303912532 Frigidaire Hose Inlet 60"2131168200 Frigidaire Dryer Screw4WCI 1312690005WCI 13126890065303304015 Frigidaire Oven Washer8DOOR LOCK/SWITCH ASSY9131302800 Frigidaire Drum Vane Screw10131278700 Frigidaire Outer Door11Panel,door glass12134426500 Frigidaire Inner Door Panel Ki14131279001 Frigidaire Washer Door Catch Strike15WCI 13163220016131302901 Frigidaire Screw17WCI 13134640018Panel,Service ,white ,kick plate19218362501 Frigidaire Refrigerator Screw20Bracket,top panel mtg. ,front21131243700 Frigidaire Screw22Retainer,spring steel24WCI 13150980825WCI 13146110026134178901 Frigidaire Screw27WCI 13146100028WCI 13127920030WCI 5303314118315304505407 Frigidaire Cord325303209428 Frigidaire Serv.Cord Bushing33134190200 Frigidaire Washer Water Valve35WCI 13142760036131841600 Frigidaire Washer Levelling Leg37WCI 13130420038WCI 13146810045131461200 Frigidaire Washer Drain Hose45WCI 13146120146WCI 131426200