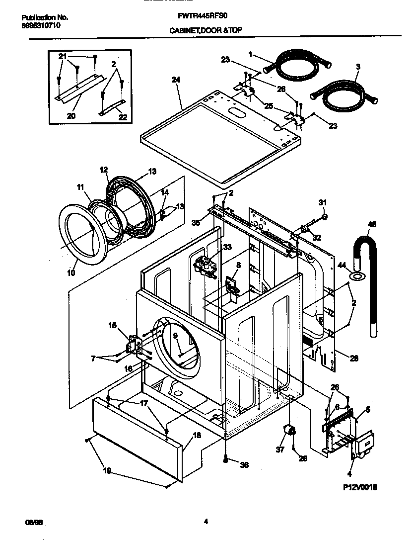
FWTR445RFS0 03 – WASH CAB,TOPadmin2025-04-26T08:39:12+00:00FWTR445RFS0 03 – WASH CAB,TOP ProductsPositionProduct*41761WCI 13145300115303912532 Frigidaire Hose Inlet 60"2131168200 Frigidaire Dryer Screw4WCI 1317253005WCI 13126890065303304015 Frigidaire Oven Washer7131205300 Frigidaire Screw8DOOR LOCK/SWITCH ASSY9131302800 Frigidaire Drum Vane Screw10131278700 Frigidaire Outer Door11Panel,door glass12134426500 Frigidaire Inner Door Panel Ki13131302901 Frigidaire Screw14131279001 Frigidaire Washer Door Catch Strike15134264600 Frigidaire Hinge16131696300 Frigidaire Screw 10-16 X 0.312 Qu17WCI 13134640018Panel,Service ,white ,kick plate19218362501 Frigidaire Refrigerator Screw20Bracket,top panel mtg. ,front21131243700 Frigidaire Screw22Retainer,spring steel23131243800 Frigidaire Screw24WCI 13167733825Bracket,top panel mtg.26134178901 Frigidaire Screw28WCI 131734800315304505407 Frigidaire Cord325303209428 Frigidaire Serv.Cord Bushing33134190200 Frigidaire Washer Water Valve35WCI 13173290036131841600 Frigidaire Washer Levelling Leg37WCI 13130420044131707800 Frigidaire Drain Hose Ring45131461200 Frigidaire Washer Drain Hose