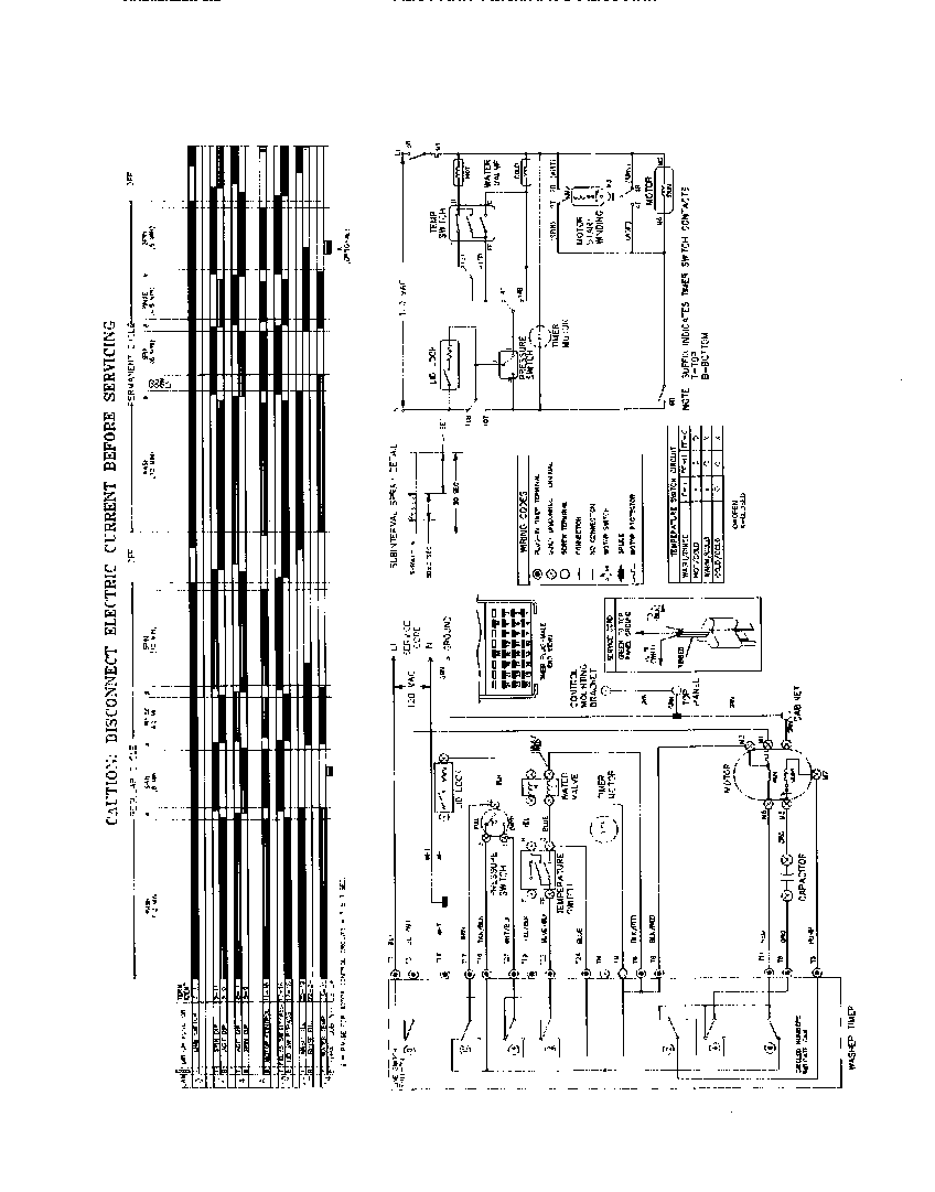
FWX433RBT2 06 – WIRING DIAGRAMadmin2025-04-26T08:39:23+00:00FWX433RBT2 06 – WIRING DIAGRAM ProductsPositionProduct1WCI 131344200A