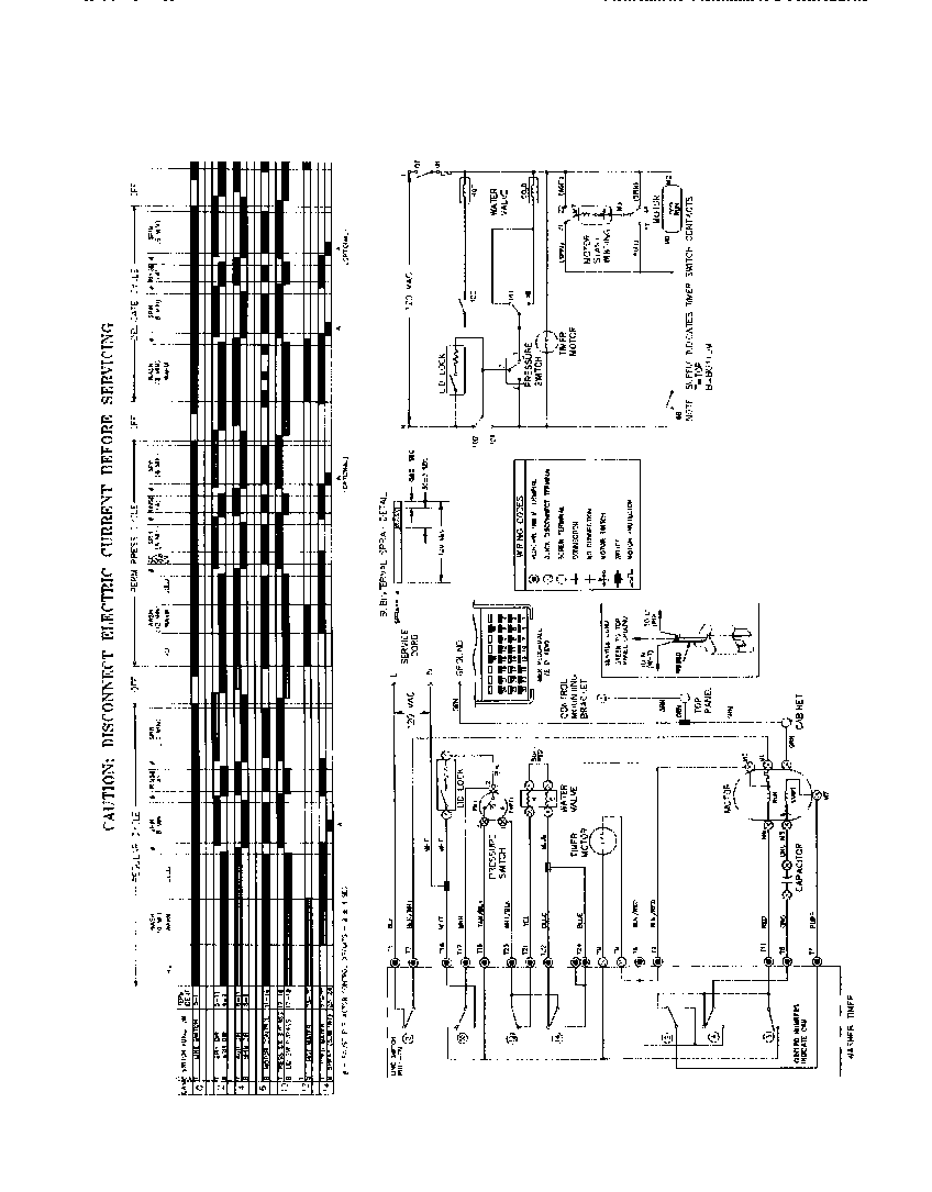
FWX433RBT2 07 – WIRING DIAGRAMadmin2025-04-26T08:39:29+00:00FWX433RBT2 07 – WIRING DIAGRAM ProductsPositionProduct1WCI 131344300A