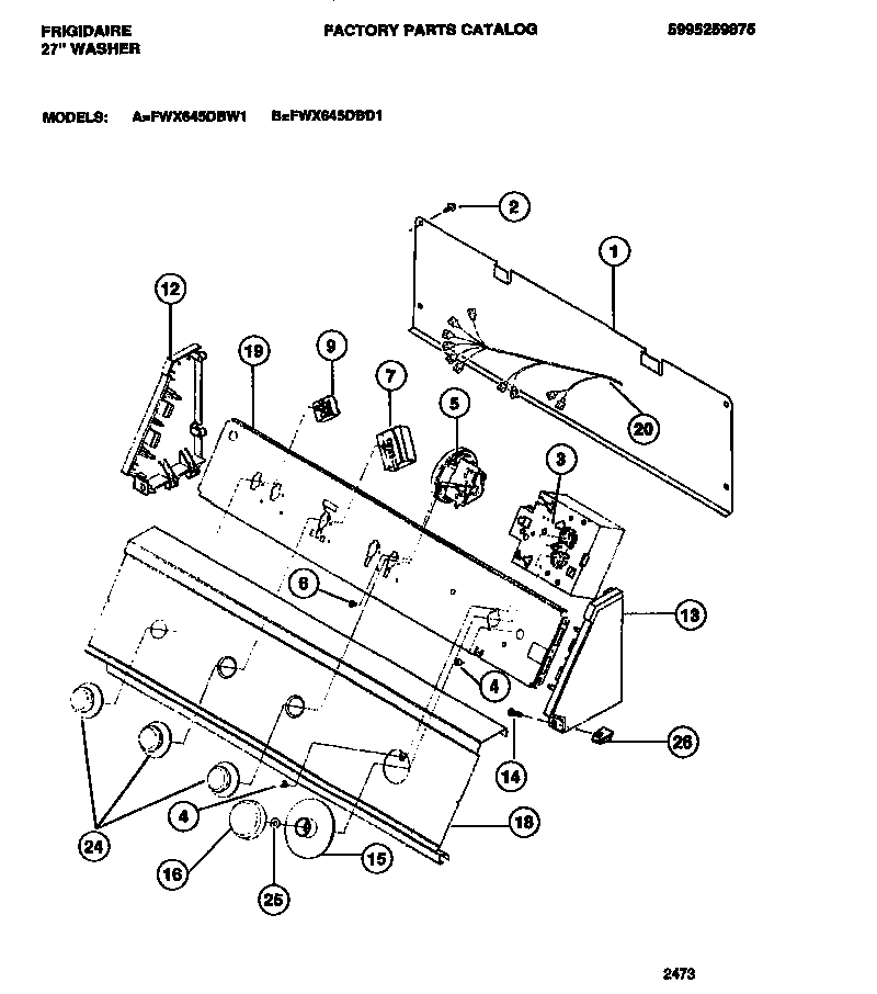
FWX645DBD1 05 – CONSOLE & CONTROLSadmin2025-04-26T08:39:28+00:00FWX645DBD1 05 – CONSOLE & CONTROLS ProductsPositionProduct*49602SCREW*49603131243800 Frigidaire Screw1COVER-BACK2131205100 Frigidaire Screw3WCI 1312382004SCREW (2)5WCI 1310477006131168200 Frigidaire Dryer Screw7Switch,speed/option ,3 posn rotary9WCI 13108120012WCI 530329134413WCI 530329135214WCI 530328952615WCI 530329558116WCI 530801433718WCI 13125760019WCI 13129730620WCI 13116620024WCI 13108100025Spacer,washer ,timer shaft26CLIP-CONSOLE MTG