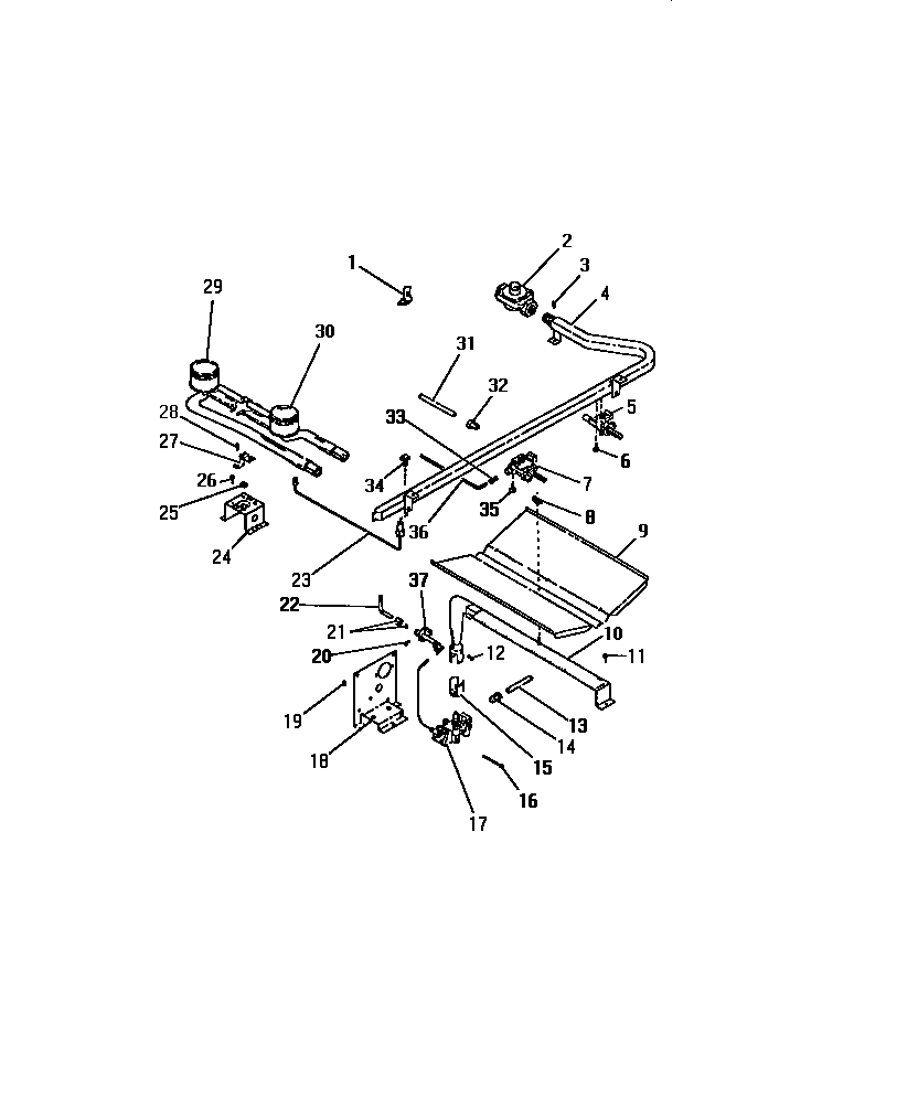
G24PCL1 28 – BURNERS, IGNITORS, CONTROLSadmin2025-04-26T09:20:14+00:00G24PCL1 28 – BURNERS, IGNITORS, CONTROLS ProductsPositionProduct1CLIP, CAPILLARY TUBE2WCI 80079744WCI 80145605WCI 80139407WCI 80139278WCI 80079799WCI 800798010WCI 801385512WCI 800801115WCI 801391816WCI 800836117WCI 801394218WCI 800798719WCI 800796020WCI 800798921NUT, 3/16 (INCL. SLEEVE)23WCI 801456224WCI 801400225WCI 801146827SHIEILD, PILOT (2)28WCI 800790529WCI 801385330WCI 801385231TUBE, 3/8 INCH32WCI 800836333NUT, 3/16 LOXIT34WCI 801147935SCREW (2)36TUBE37WCI 8013911