| *27283 | ANTI-TIP KIT |
| *27283 | CLIP-CAPILLARY (NON-ILLUSTRATED) |
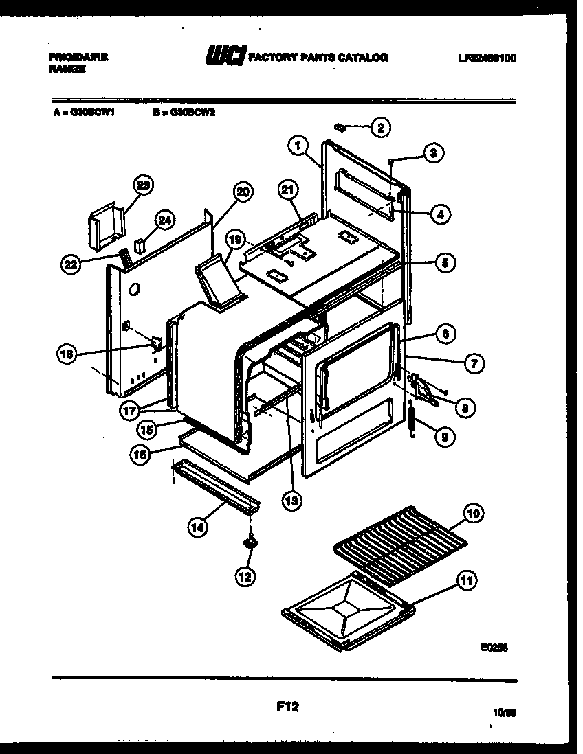
| 1 | PANEL-BODYSIDE (WHITE) (2) |
| 2 | GROMMET MAIN TOP |
| 3 | GROMMET |
| 4A | WCI 3131054 |
| 4 | WCI 3131053 |
| 5 | SUPPORT CONTROL PNL |
| 6 | WCI 08008022 |
| 7 | WCI 3205578 |
| 8 | WCI 3204670 |
| 8A | 318348801 Frigidaire Oven Left Side Door Hinge |
| 9 | SPRING (2) |
| 10 | RACK-OVEN |
| 11 | WCI 3018282 |
| 12 | WCI 3051080 |
| 13 | SUPPORT-OVEN BOTTOM |
| 14 | WCI 08068049 |
| 15B | WCI 3018347 |
| 15C | WCI 3018995 |
| 15A | OVEN LINER-SIDE LH |
| 15 | OVEN LINER-SIDE RH |
| 16 | WCI 3011645 |
| 17A | WCI 3017172 |
| 17 | WCI 3017171 |
| 18 | SUPPORT-REAR OVN (2) |
| 19 | WCI 3017173 |
| 20 | WCI 3013340 |
| 21 | WCI 3017174 |
| 22 | CHANNEL - MAIN WIRE |
| 23 | WCI 08013953 |
| 24 | 5303912606 Frigidaire Oven Range Spark Module 2+0 4 Large Terminals |