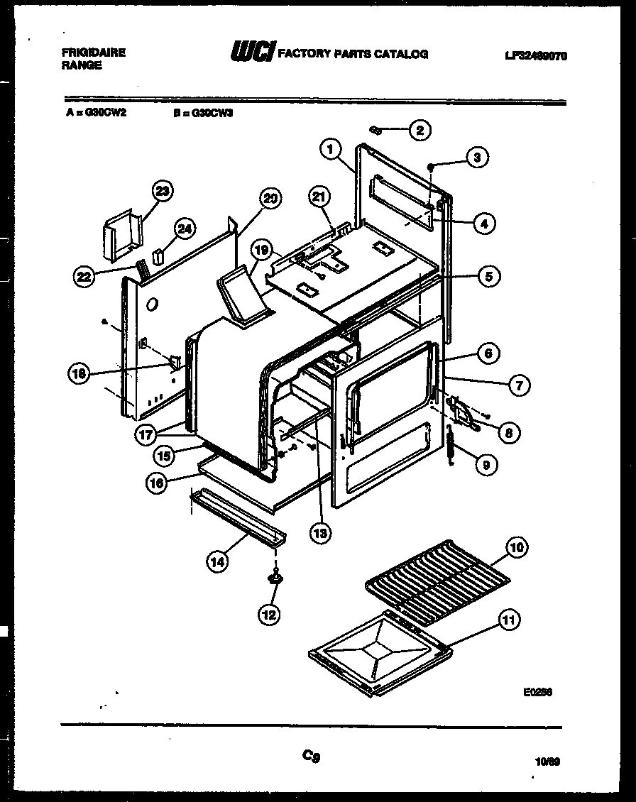
G30CL2 04 – BODY PARTS