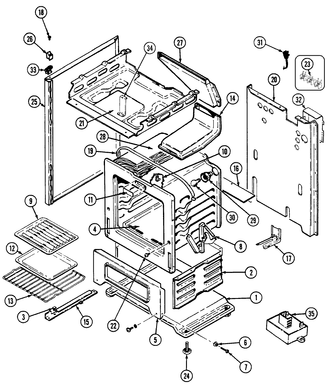
G3127WRA-3 01 – BODY/OVENadmin2025-04-26T09:21:43+00:00G3127WRA-3 01 – BODY/OVEN ProductsPositionProduct1MAY 4003W028-671MAY 7103P125-602MAY 4016F039-453MAY 8016P010-604BAFFLE, OVEN BOTTOM4MAY 5504M004-195MAY 2201F077-196MAY 8004P024-607MAY 7101P300-608MAY 7106P032-609MAY Y3413F0161910WP7112P004-60 Whirlpool Thermal Clip11MAY 8114P335-6012MAY Y3401F0201913MAY 7801P040-6014WP74003976 Whirlpool Screw14MAY 4006W113-4515MAY 7101P290-6015MAY 3404F021-5115MAY 3404F018-5116MAY 3807F416-4517MAY 3801F218-5117MAY 7101P289-6018MAY 7118P013-6019MAY 4820F001-5920MAY 4002F188-8021MAY 4011F209-8022SCREW, HINGE23MAY 7401P037-6024MAY 7101P306-6025MAY 2618F085-6425MAY 2618F099-6426SPACER, MAIN TOP (LT)26SPACER, MAIN TOP (RT)27MAY 4022W005-1928MAY 4804F031-6028MAY 4804F032-6029WP7407P182-60 Whirlpool Lamp30MAY 7407P027-6031MAY 7402P045-6032MAY 4005F385-5133MAY 8007P023-6034MAY 3807F431-4535MAY 7510P046-60