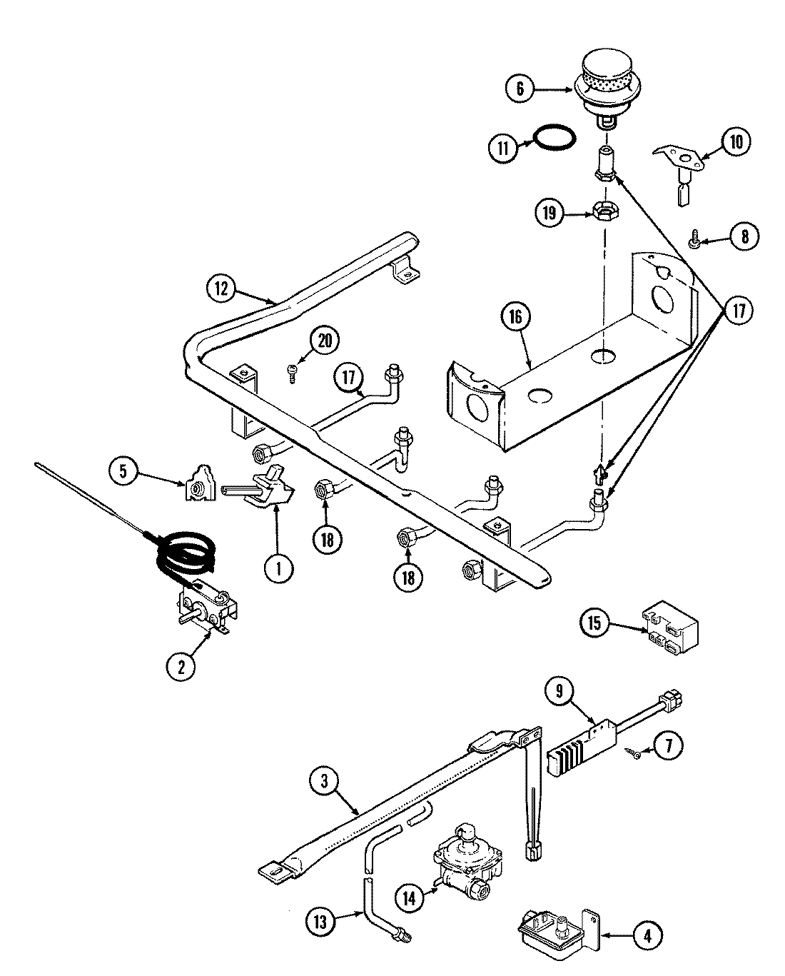
G3127XRA-5 04 – GAS CONTROLSadmin2025-04-26T09:22:23+00:00G3127XRA-5 04 – GAS CONTROLS ProductsPositionProductNIMAY 5125A312-60NIMAY 5140D038-601MAY 7502P219-602MAY 7404P087-602MAY 3604F177-512MAY 7101P280-603MAY 3403D023-454MAY 7501P124-604MAY 4005F333-515MAY 7403P284-606MAY 3412D018-096MAY 3412D017-097SCREW (10-24X5/16-NI)8MAY 7101P315-609MAY 7432P076-6010NOT REQUIRED PART OR SEE NOTE FUSE (NOT REQUIRED)11MAY 7201P050-6012MAY 7103P130-6012MAY 7513P120-6013MAY 3414F104-4414MAY 7510P051-6015MAY 7431P022-6015MAY 7431P026-6015MAY 3807F432-4515MAY 7101P290-6016MAY 3807F451-4517MAY 7507P128-6018MAY 7507P130-6019MAY 7103P119-6020MAY 7101P044-60